GM Service Manual Online
For 1990-2009 cars only
Makes
🢒
Cadillac
🢒
2007
🢒
Escalade EXT
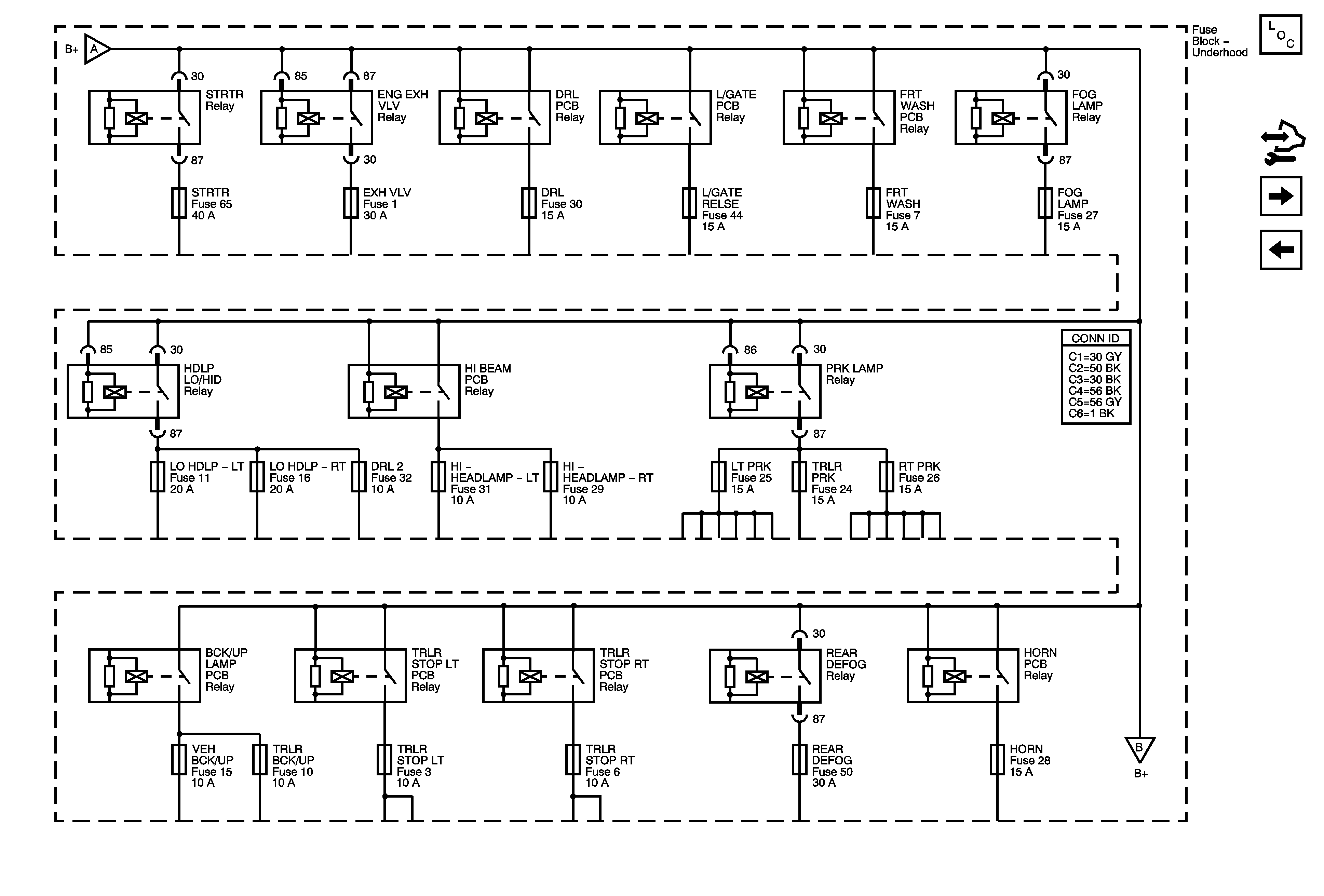
🢒 B+ Bus - 2 of 3
B+ Bus - 2 of 3
B+ Bus - 2 of 3
Master Electrical Component List
Control Module References
B+ Bus - 3 of 3
B+ Bus - 1 of 3
B+ Bus - 1 of 3
B+ Bus - 3 of 3