GM Service Manual Online
For 1990-2009 cars only
Makes
🢒
Cadillac
🢒
2007
🢒
Escalade EXT
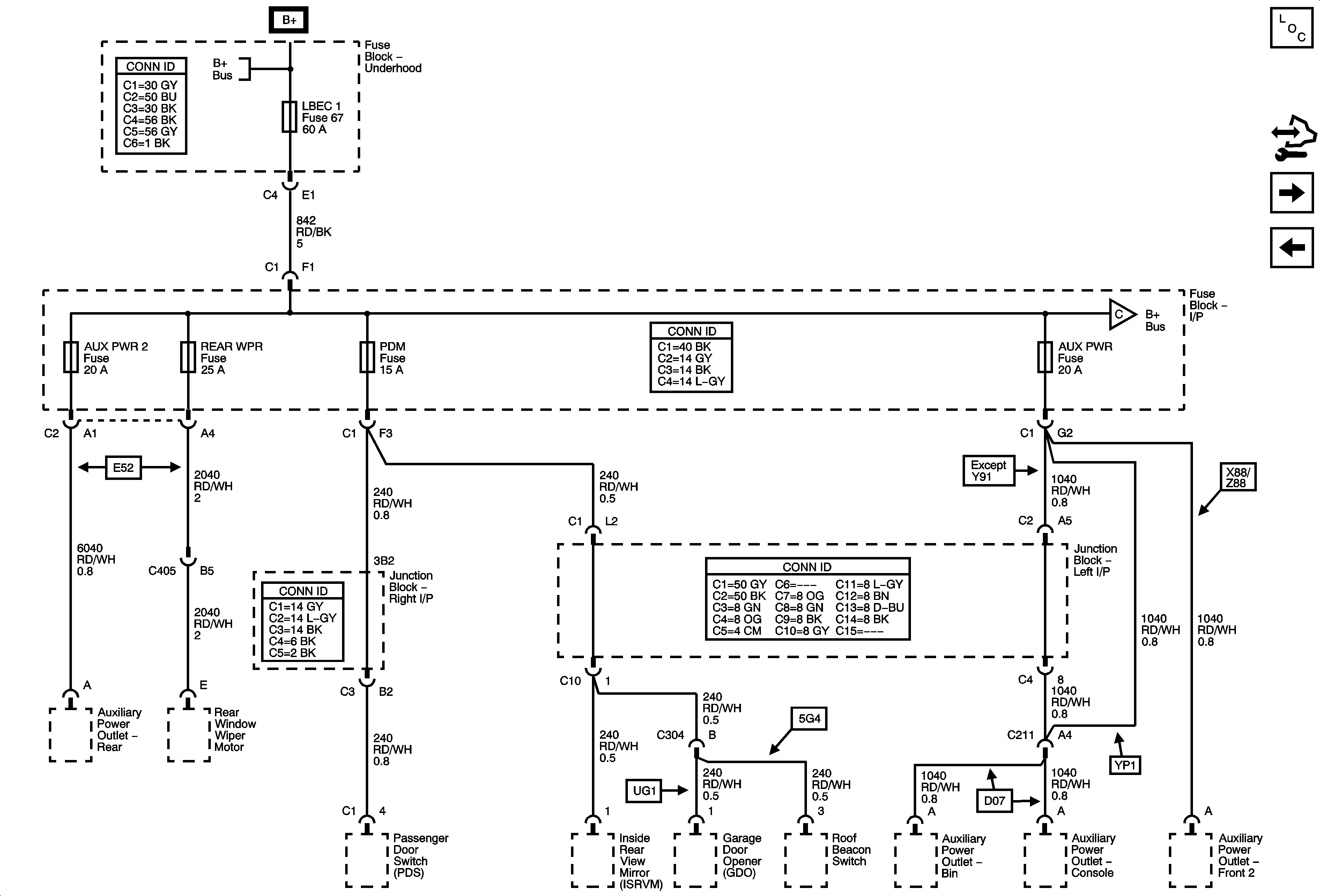
🢒 AUX PWR, AUX PWR 2, LBEC 1, PDM, and REAR WPR Fuses
AUX PWR, AUX PWR 2, LBEC 1, PDM, and REAR WPR Fuses
AUX PWR, AUX PWR 2, LBEC 1, PDM, and REAR WPR Fuses
Master Electrical Component List
Control Module References
IS LAMPS, LT STOP TRN, OBS DET, REAR SEAT, and STOP LAMPS Fuses and LT DR Circuit Breaker
B+ Bus - 3 of 3
B+ Bus - 1 of 3