GM Service Manual Online
For 1990-2009 cars only
Makes
🢒
Cadillac
🢒
2007
🢒
Escalade EXT
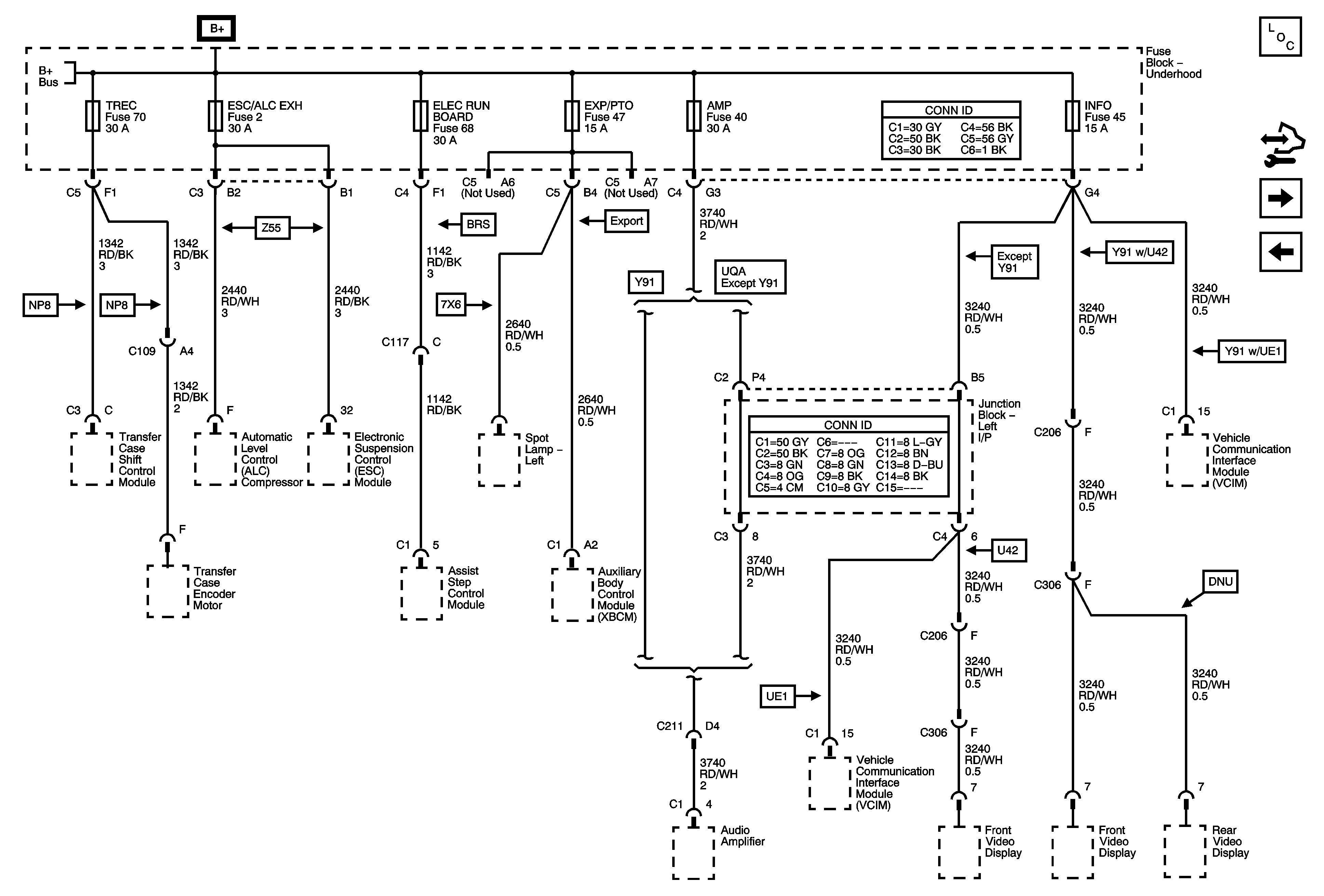
🢒 AMP, ELEC RUN BOARD, ESC/ALC EXH, EXP/BRK MDL, INFO, and TREC Fuses
AMP, ELEC RUN BOARD, ESC/ALC EXH, EXP/BRK MDL, INFO, and TREC Fuses
AMP, ELEC RUN BOARD, ESC/ALC EXH, EXP/BRK MDL, INFO, and TREC Fuses
Master Electrical Component List
Control Module References
RDO Fuses
ECM-BATT, HEADLAMP WASH, HVAC BATT, IPC, LTR, S/ROOF, and TCM-BATT Fuses
B+ Bus - 1 of 3