GM Service Manual Online
For 1990-2009 cars only
Makes
🢒
Cadillac
🢒
2007
🢒
Escalade EXT
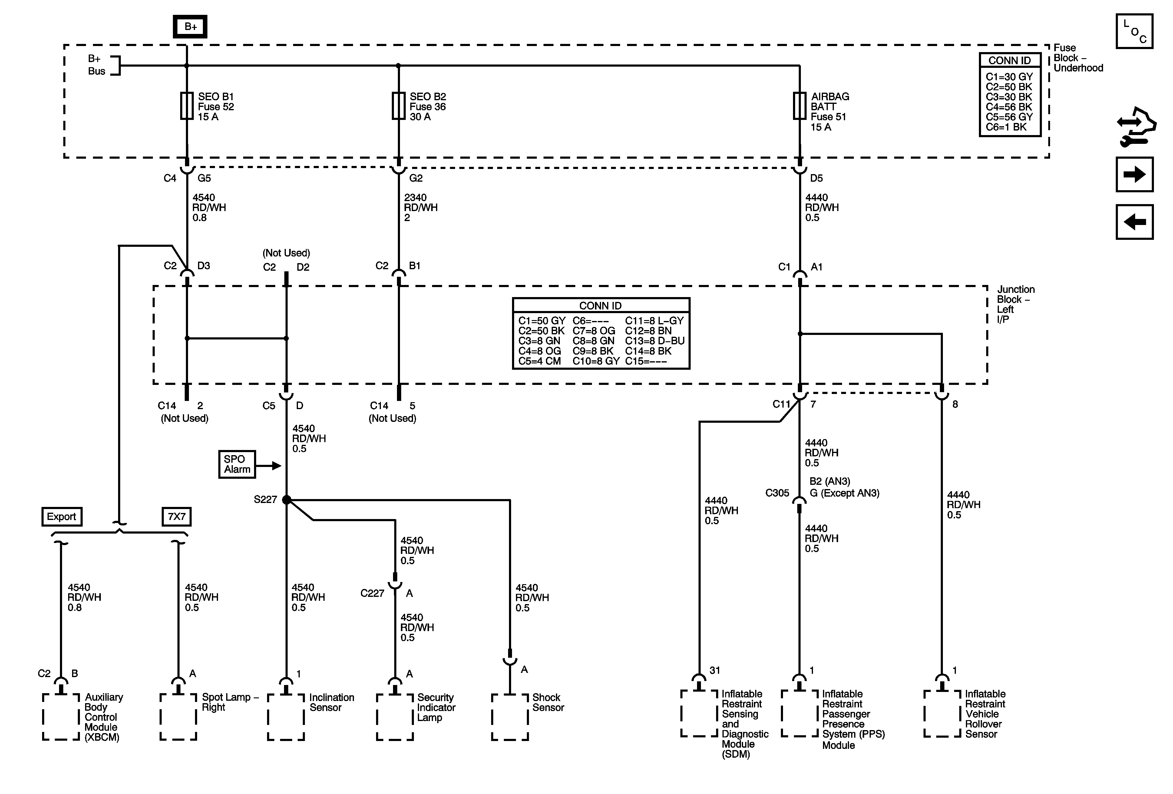
🢒 AIRBAG, SEO B1, and SEO B2 Fuses
AIRBAG, SEO B1, and SEO B2 Fuses
AIRBAG, SEO B1, and SEO B2 Fuses
Master Electrical Component List
Control Module References
TRLR BCK/UP, TRLR STOP LT, TRLR STOP RT, and VEH BCK/UP Fuses
ALC/COMP, EAP, and LGM Fuses
B+ Bus - 1 of 3