GM Service Manual Online
For 1990-2009 cars only
Makes
🢒
Cadillac
🢒
2007
🢒
Escalade EXT
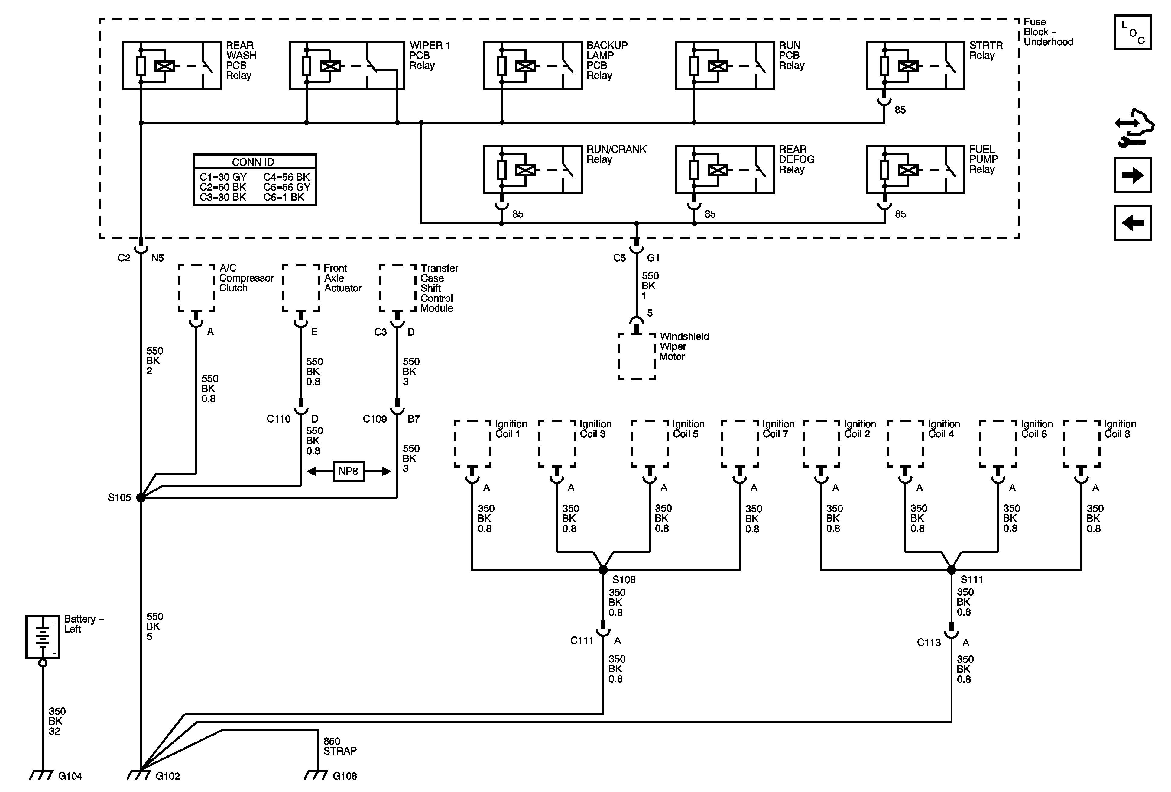
🢒 G102 and G108
G102 and G108
G102 and G108
Master Electrical Component List
Control Module References
G103, G110, and G111
G101