GM Service Manual Online
For 1990-2009 cars only
Makes
🢒
Cadillac
🢒
2007
🢒
Escalade EXT
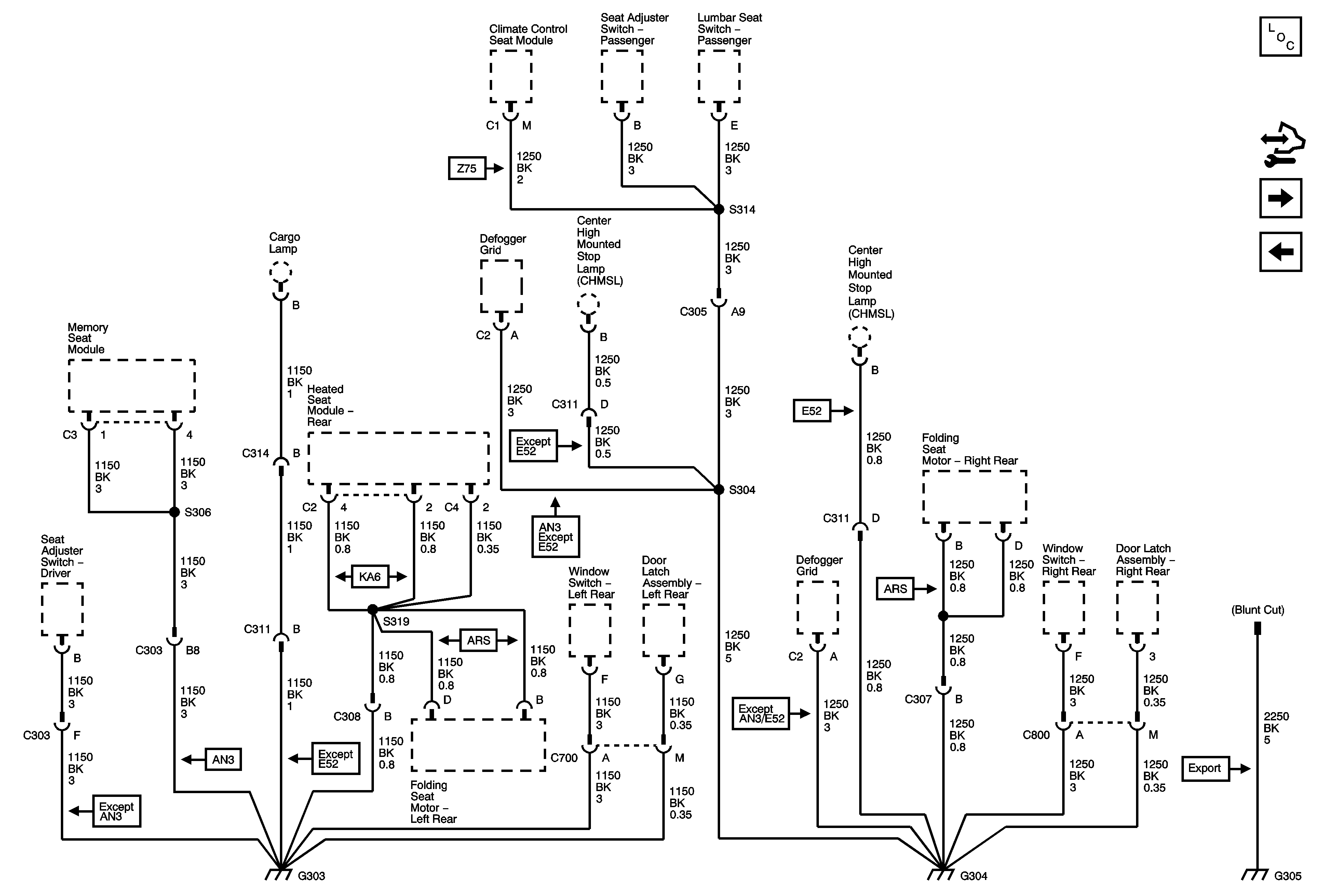
🢒 G303, G304, and G305
G303, G304, and G305
G303, G304, and G305
Master Electrical Component List
Control Module References
G400
G301