GM Service Manual Online
For 1990-2009 cars only
Makes
🢒
Cadillac
🢒
2007
🢒
Escalade EXT
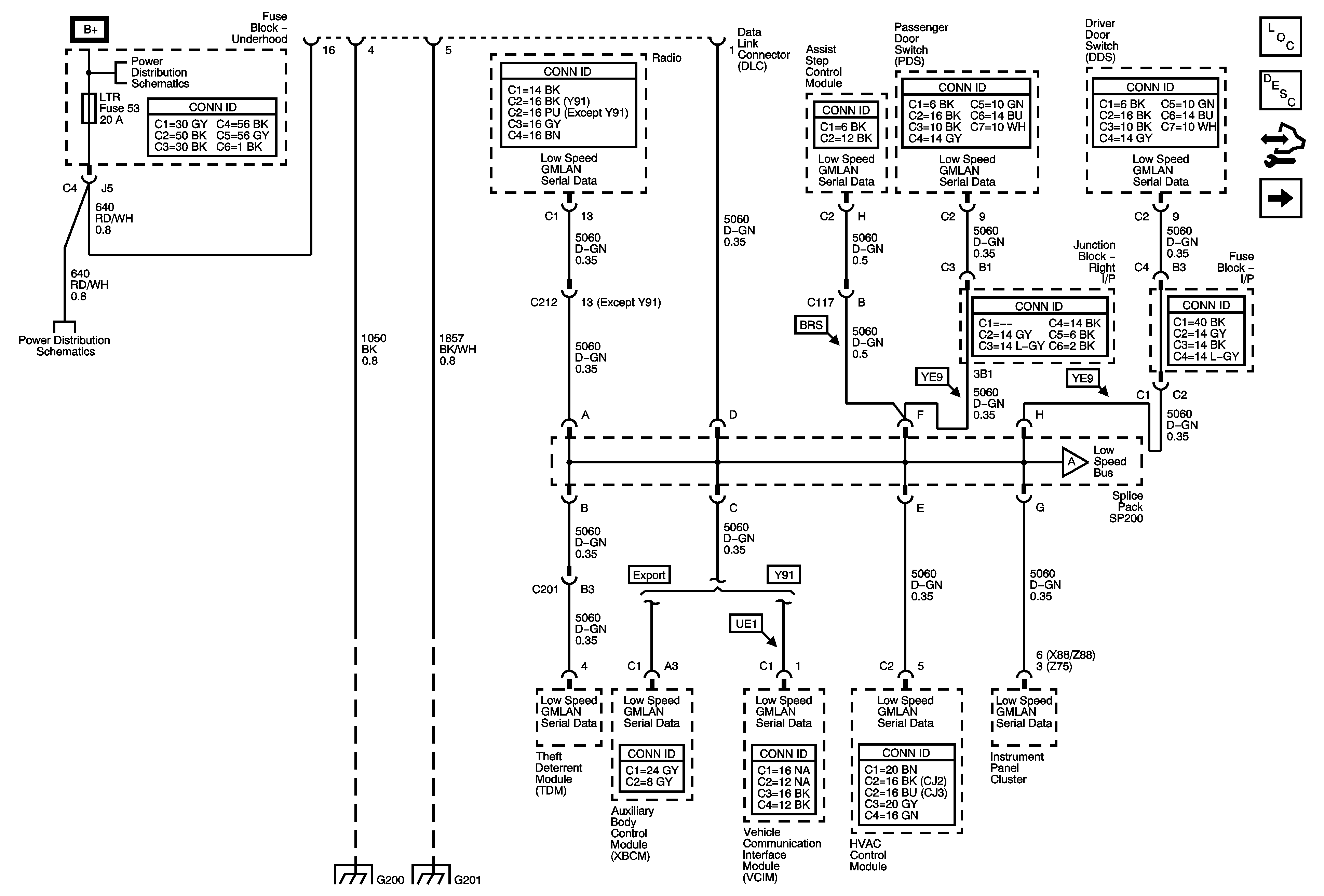
🢒 Low Speed Bus - SP200 - 1 of 3
Low Speed Bus - SP200 - 1 of 3
Low Speed Bus - SP200 - 1 of 3
Master Electrical Component List
Data Link Communications Description and Operation
Control Module References
Low Speed Bus - SP 200 - 2 of 3