GM Service Manual Online
For 1990-2009 cars only
Makes
🢒
Cadillac
🢒
2007
🢒
Escalade EXT
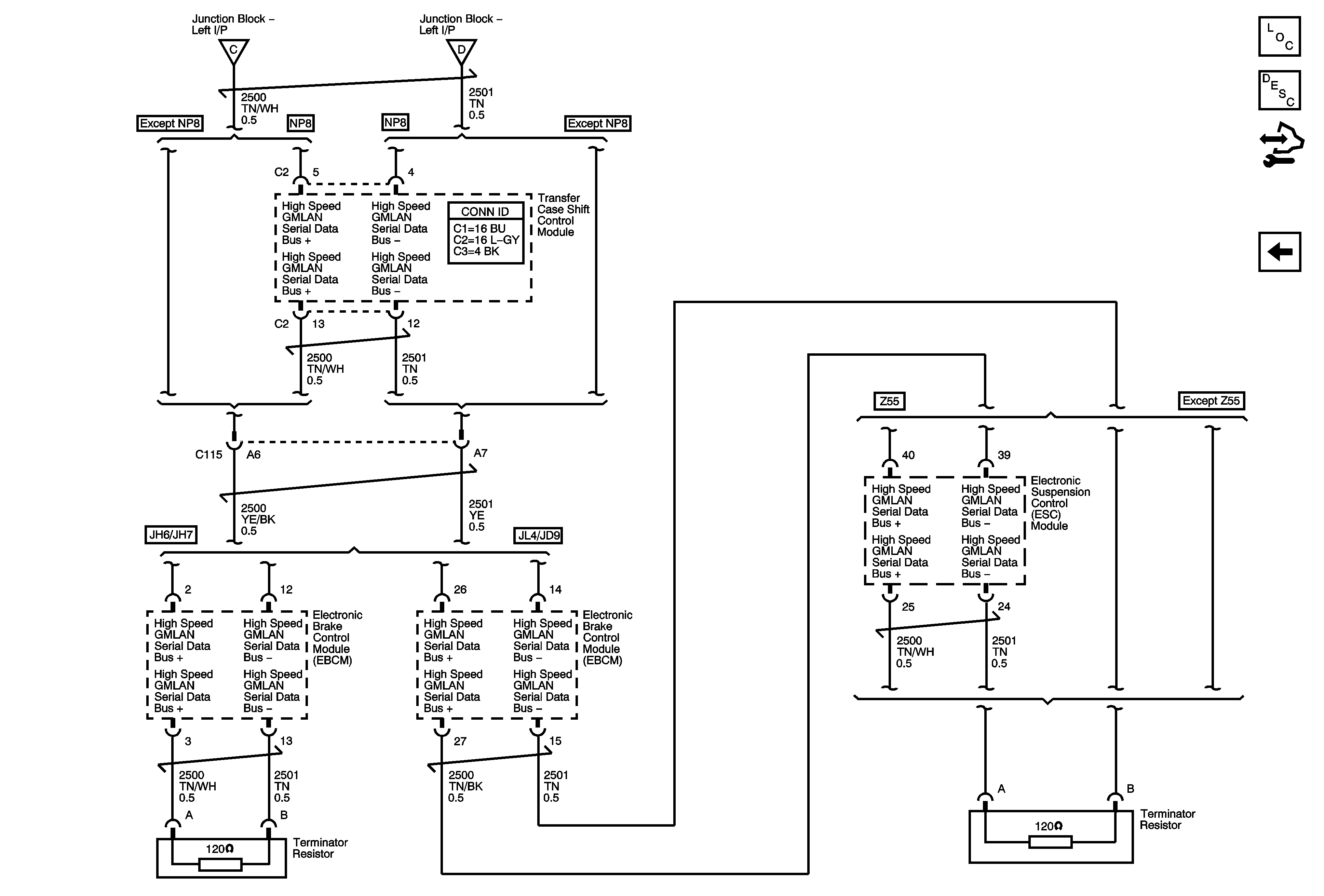
🢒 High Speed Bus - 2 of 2
High Speed Bus - 2 of 2
High Speed Bus - 2 of 2
Master Electrical Component List
Data Link Communications Description and Operation
Control Module References
High Speed Bus - 1 of 2