GM Service Manual Online
For 1990-2009 cars only
Makes
🢒
Cadillac
🢒
2007
🢒
Escalade EXT
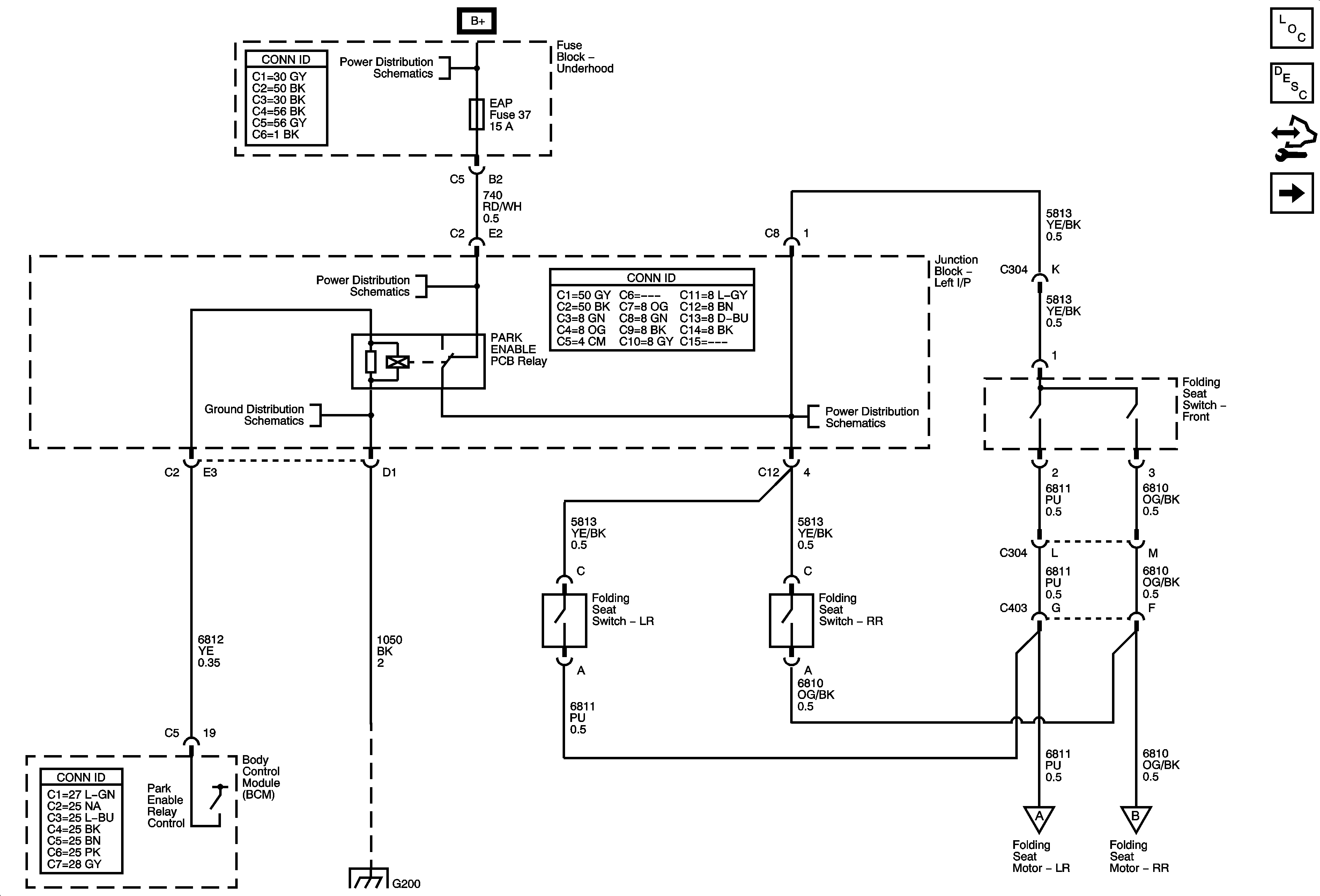
🢒 Folding Seat Controls - ARS
Folding Seat Controls - ARS
Folding Seat Controls - ARS
Master Electrical Component List
Power Seats System Description and Operation Rear Folding Seat
Control Module References
Folding Seat Motors - ARS
B+ Bus - 1 of 3
ALC/COMP, EAP, and LGM Fuses
G200 - 1 of 2
G200 - 1 of 2
ALC/COMP, EAP, and LGM Fuses
Folding Seat Motors - ARS
Folding Seat Motors - ARS