GM Service Manual Online
For 1990-2009 cars only
Makes
🢒
Cadillac
🢒
2007
🢒
Escalade EXT
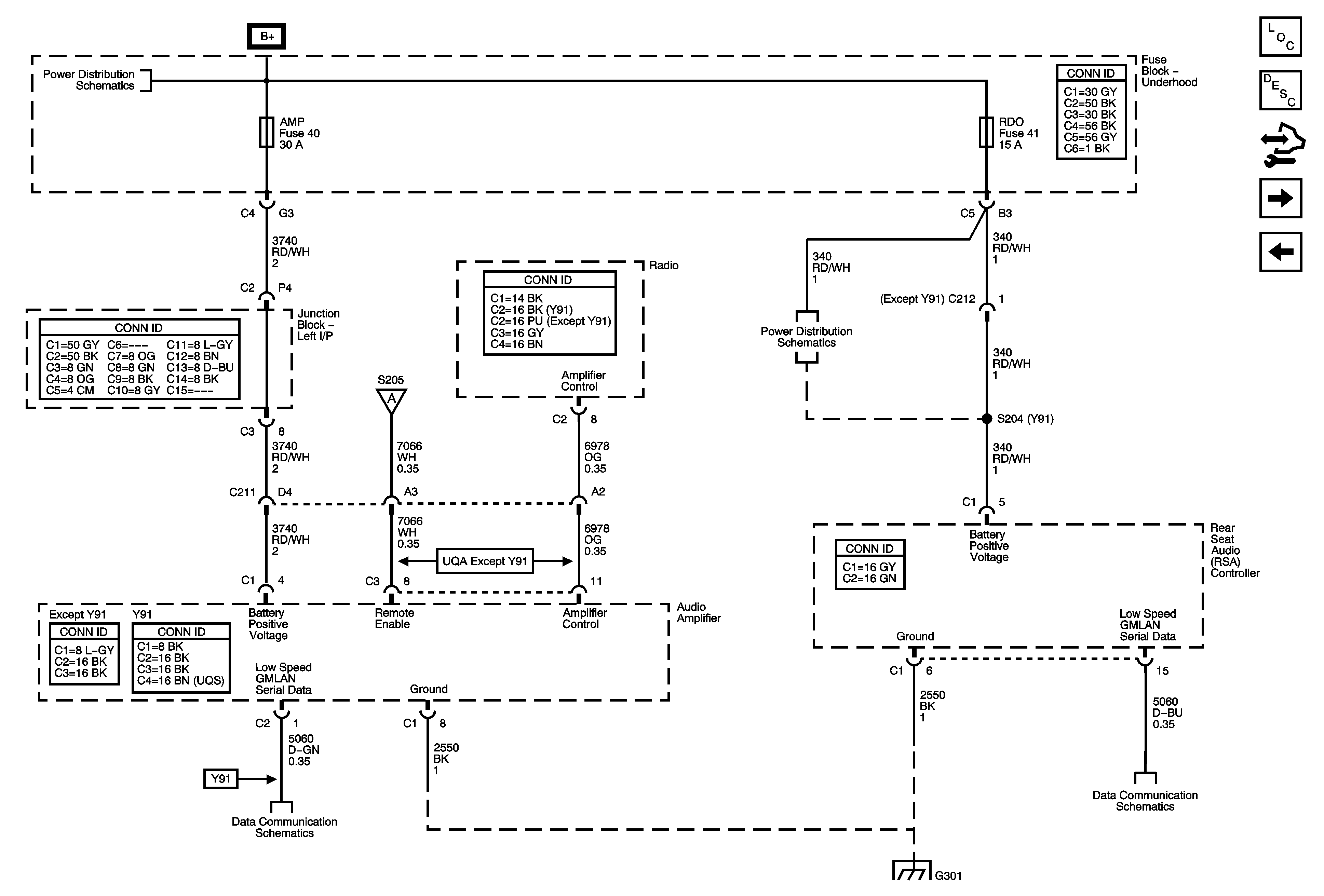
🢒 Amplifier (UQA/UQS) and Rear Seat Audio (UK6) Power, Ground, and Serial Data
Amplifier (UQA/UQS) and Rear Seat Audio (UK6) Power, Ground, and Serial Data
Amplifier (UQA/UQS) and Rear Seat Audio (UK6) Power, Ground, and Serial Data
Master Electrical Component List
Radio/Audio System Description and Operation
Control Module References
Amplifier Inputs - UQA/UQS
Radio Power, Ground, Serial Data, and Antenna Signals
B+ Bus - 1 of 3
Radio Power, Ground, Serial Data, and Antenna Signals
RDO Fuses
Low Speed Bus - SP 200 - 2 of 3
G301
Low Speed Bus - SP 200 - 2 of 3