GM Service Manual Online
For 1990-2009 cars only
Makes
🢒
Cadillac
🢒
2007
🢒
Escalade EXT
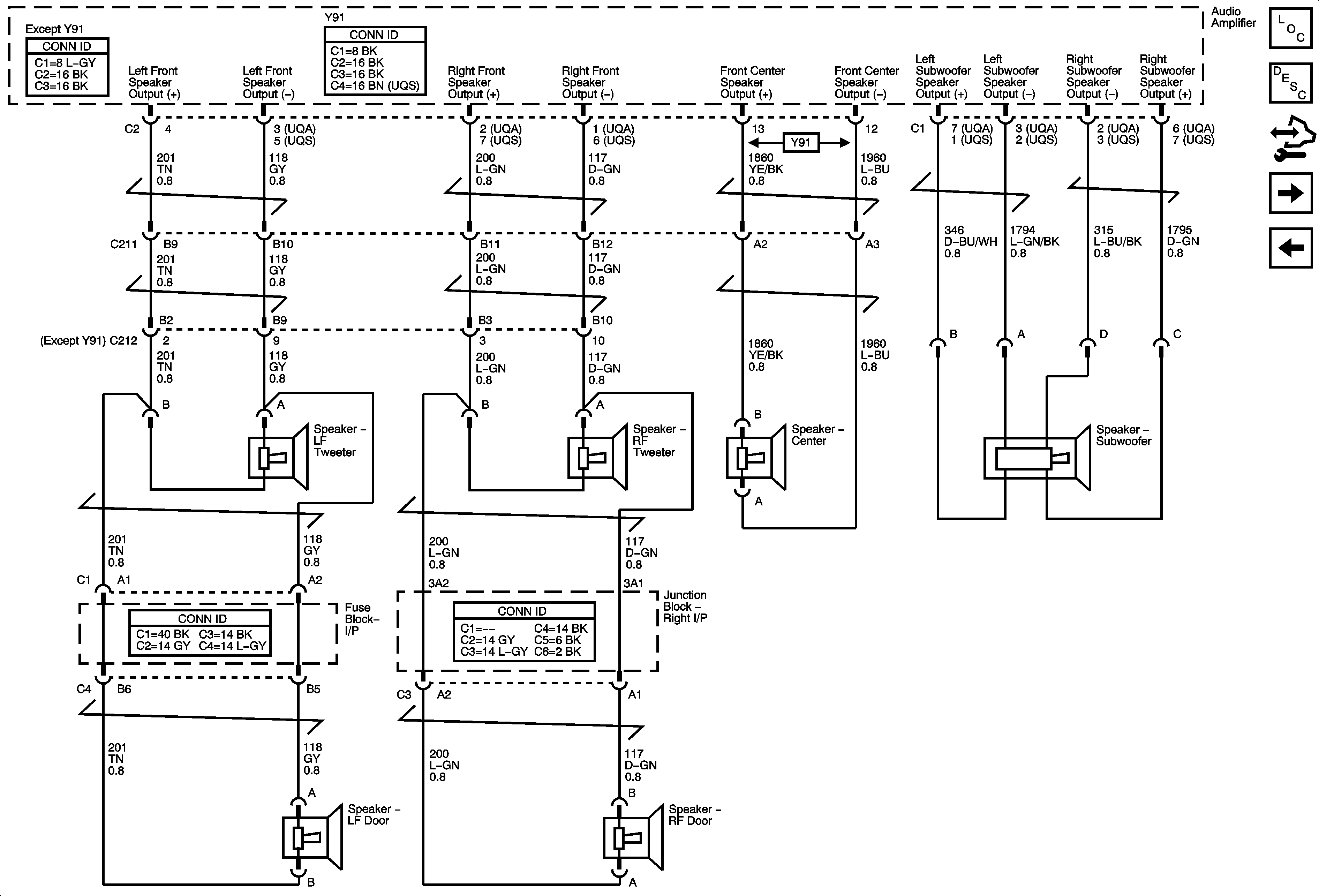
🢒 Front Speakers - UQA/UQS
Front Speakers - UQA/UQS
Front Speakers - UQA/UQS
Master Electrical Component List
Radio/Audio System Description and Operation
Control Module References
Rear Speakers - UQA
Rear Speakers - UQ3 w/UK6