GM Service Manual Online
For 1990-2009 cars only
Makes
🢒
Cadillac
🢒
2007
🢒
Escalade EXT
🢒 Fuel Pump Controls and Fuel Injectors
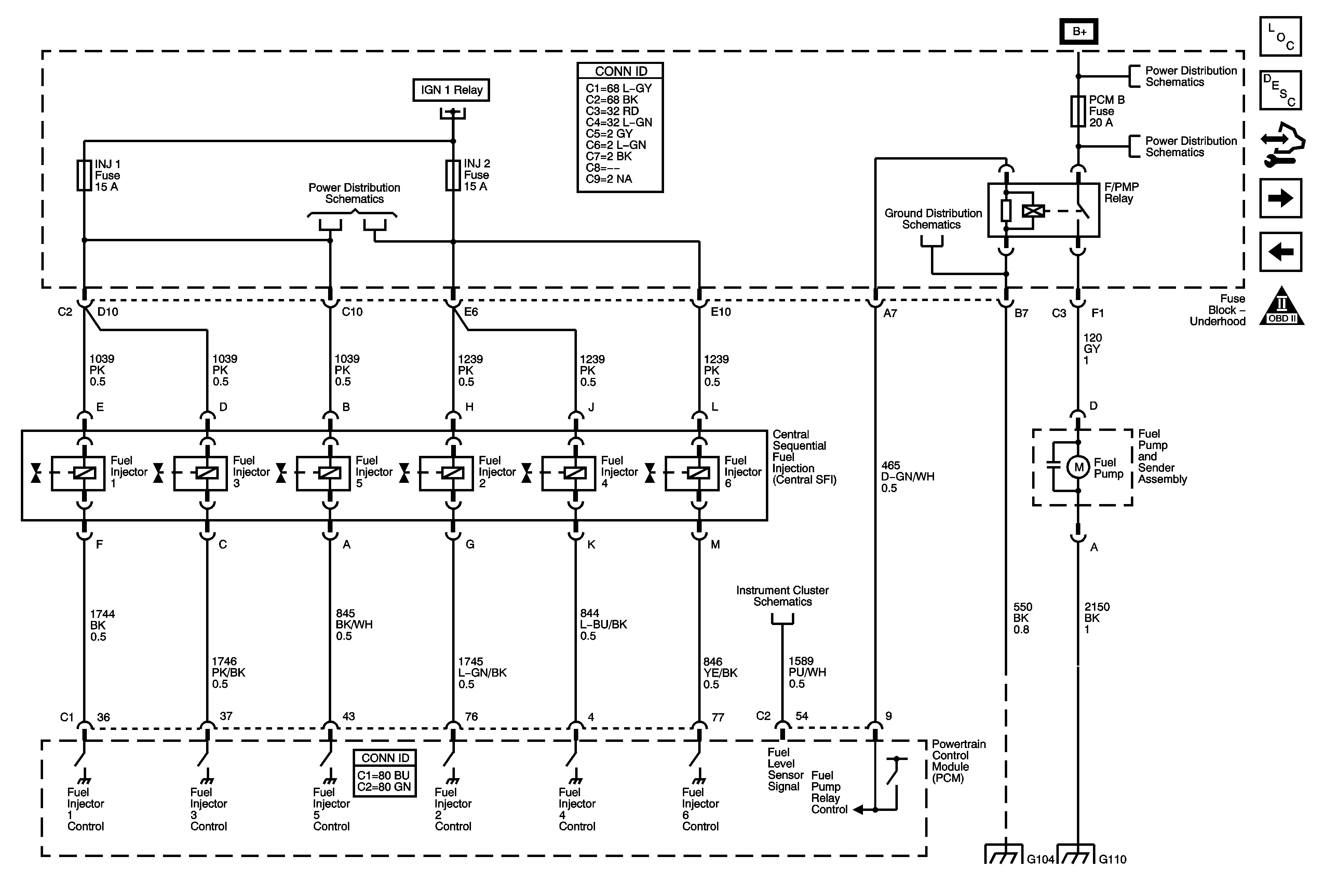
Fuel Pump Controls and Fuel Injectors
Fuel Pump Controls and Fuel Injectors
Master Electrical Component List
Fuel System Description
Control Module References
Fuel Controls - EVAP and Device Controls
Ignition Controls
Engine Controls Schematic Icons
ETC/ECM, INJ1, INJ2, PCM 1, and SBA Fuses - Gas
ETC/ECM, INJ1, INJ2, PCM 1, and SBA Fuses - Gas
G104, G107, and G110
B+ Bus Bar
AUX PWR, AUX PWR 2, DDM, ECC/TCM, ECM B, LBEC 2, LCKS, PCM B, PDM and TCM B Fuses
Gages, Vehicle Speed Sensor, Engine Oil Pressure, and Fuel Level Sensors
G104, G107, and G110