GM Service Manual Online
For 1990-2009 cars only
Makes
🢒
Cadillac
🢒
2007
🢒
Escalade EXT
🢒 Fuel Controls - EVAP Controls and FTP Sensor
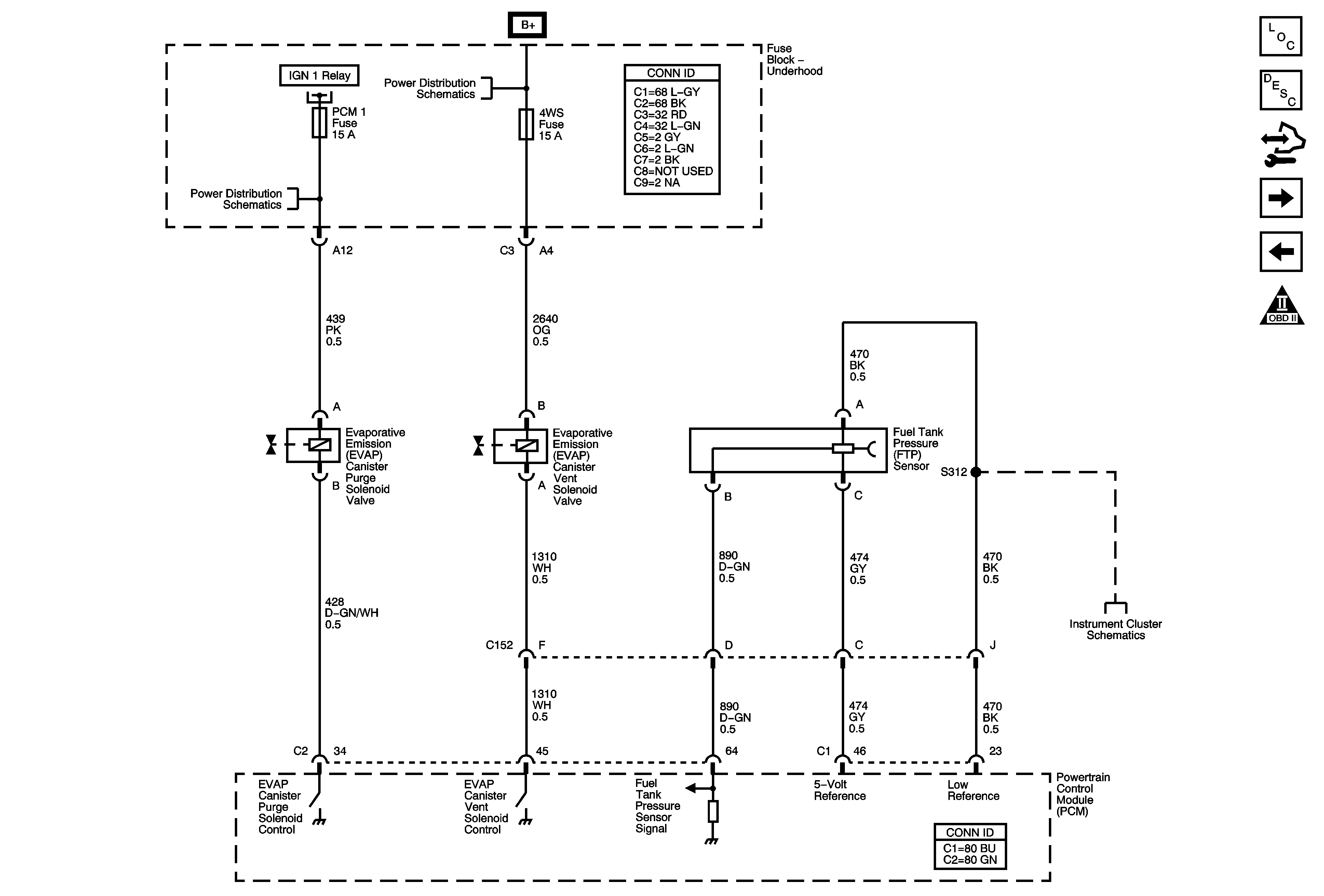
Fuel Controls - EVAP Controls and FTP Sensor
Fuel Controls - EVAP Controls and FTP Sensor
Master Electrical Component List
Evaporative Emission Control System Description
Control Module References
Controlled/Monitored Subsystem References
Fuel Controls - Fuel Injectors
Engine Controls Schematic Icons
ETC/ECM, INJ1, INJ2, PCM 1, and SBA Fuses - Gas
ETC/ECM, INJ1, INJ2, PCM 1, and SBA Fuses - Gas
B+ Bus Bar
Gages, Vehicle Speed Sensor, Engine Oil Pressure, and Fuel Level Sensors