GM Service Manual Online
For 1990-2009 cars only
Makes
🢒
Cadillac
🢒
2007
🢒
Escalade EXT
🢒 Fuel Controls - Fuel Pump Controls
Fuel Controls - Fuel Pump Controls
Fuel Controls - Fuel Pump Controls
Master Electrical Component List
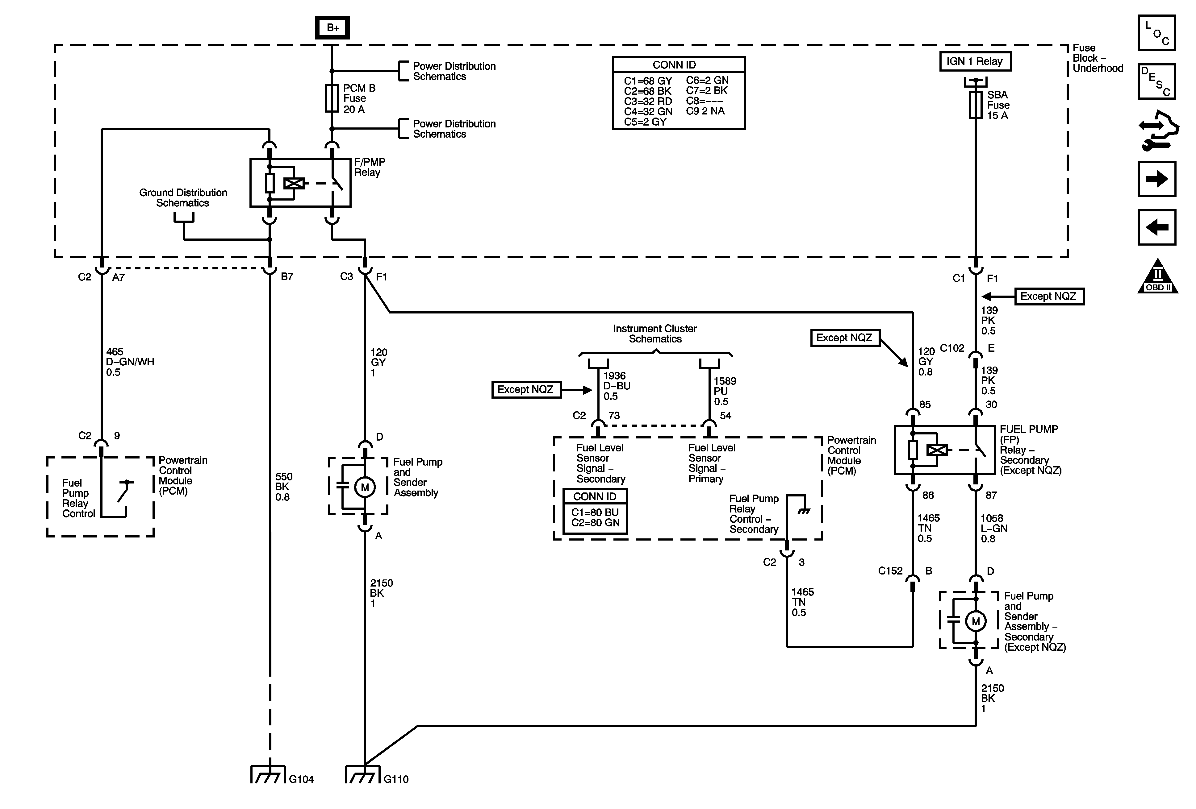
Fuel System Description
Control Module References
Fuel Controls - Fuel Injectors
Ignition Controls - Sensors
Engine Controls Schematic Icons
G104, G107, and G110
B+ Bus Bar
AUX PWR, AUX PWR 2, DDM, ECC/TCM, ECM B, LBEC 2, LCKS, PCM B, PDM, and TCM B Fuses
Gages, Vehicle Speed Sensor, Engine Oil Pressure, and Fuel Level Sensors
ETC/ECM, INJ1, INJ2, PCM 1, and SBA Fuses - Gas
G104, G107, and G110