GM Service Manual Online
For 1990-2009 cars only
Makes
🢒
Cadillac
🢒
2007
🢒
Escalade EXT
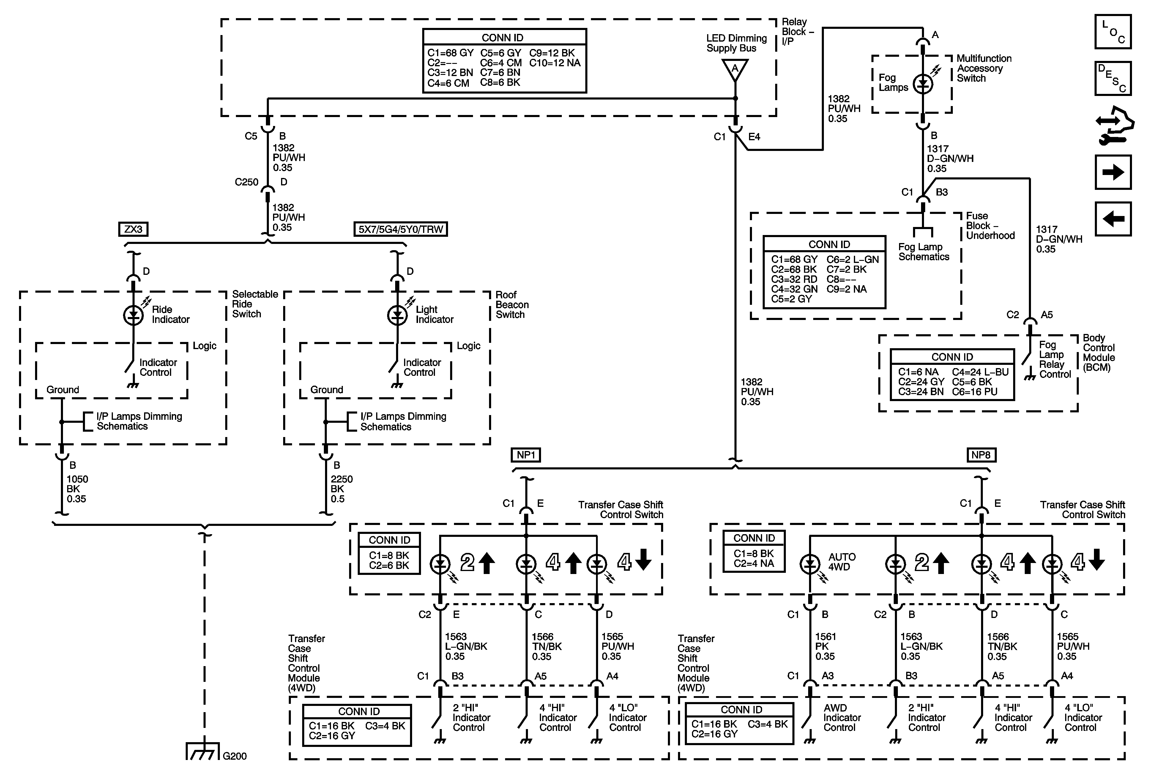
🢒 LED Dimming Supply - 2 of 2
LED Dimming Supply - 2 of 2
LED Dimming Supply 2 of 2
Master Electrical Component List
Interior Lighting Systems Description and Operation
Control Module References
I/P Lamps Dimming Control Supply - 1 of 3
Dimming Control and LED Dimming Supply - 1 of 2
Dimming Control and LED Dimming Supply - 1 of 2
I/P Lamps Dimming Control Supply - 2 of 3
I/P Lamps Dimming Control Supply - 2 of 3
G200 - 2 of 2
Fog Lights Schematics