GM Service Manual Online
For 1990-2009 cars only
Makes
🢒
Cadillac
🢒
2007
🢒
Escalade EXT
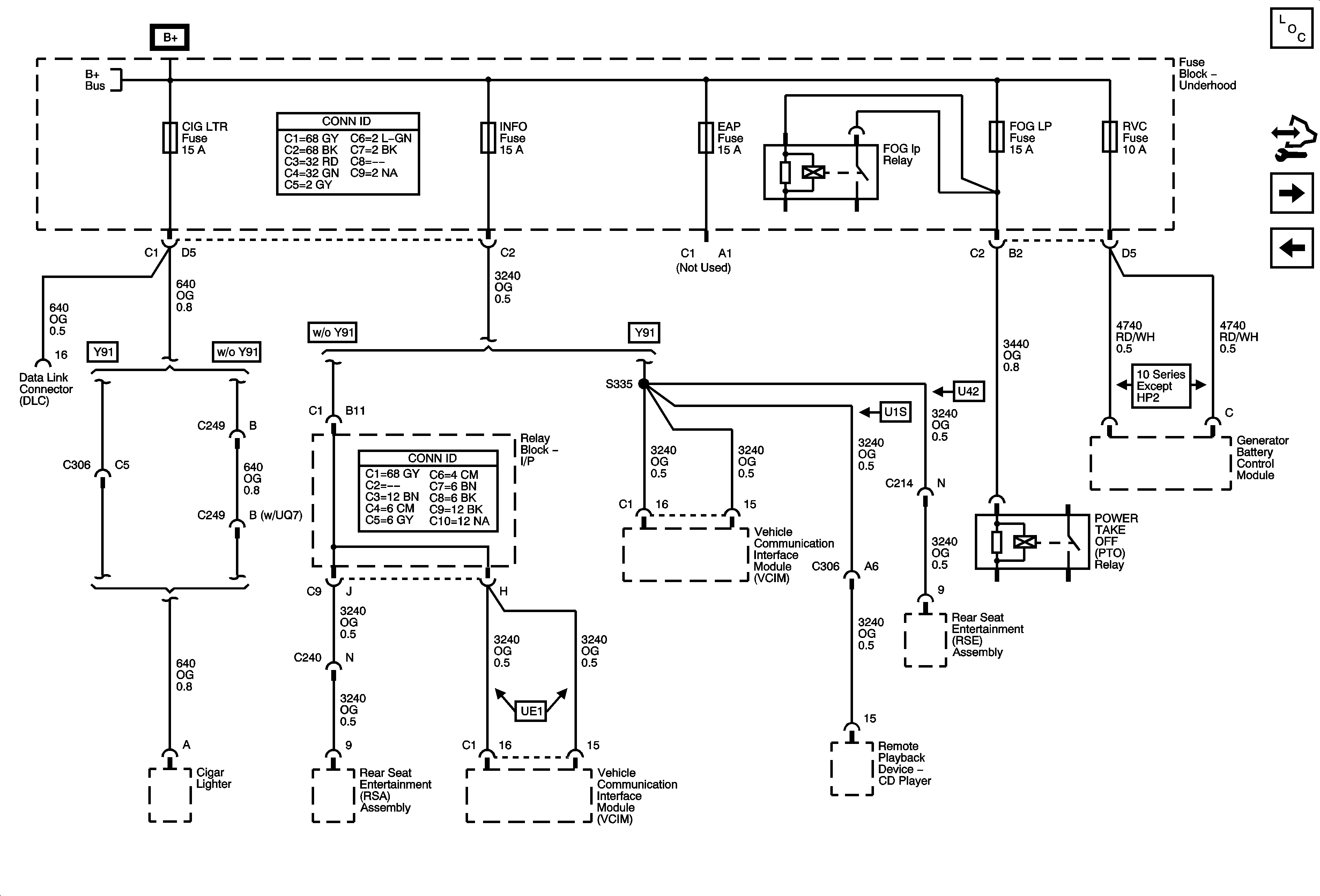
🢒 CIG LTR, EAP, INFO, and RVC Fuses
CIG LTR, EAP, INFO, and RVC Fuses
CIG LTR, EAP, INFO, and RVC Fuses
Master Electrical Component List
Control Module References
RADIO, RADIO/AMP, and S/ROOF Fuses
BLWR, HAZRD, HVAC/EXAS, LBEC 1, RR DEFOG, RR HVAC, TBC 2A, TBC 2B, and TBC 2C Fuses, and LT DOOR Circuit Breaker
B+ Bus Bar