GM Service Manual Online
For 1990-2009 cars only
Makes
🢒
Cadillac
🢒
2007
🢒
Escalade EXT
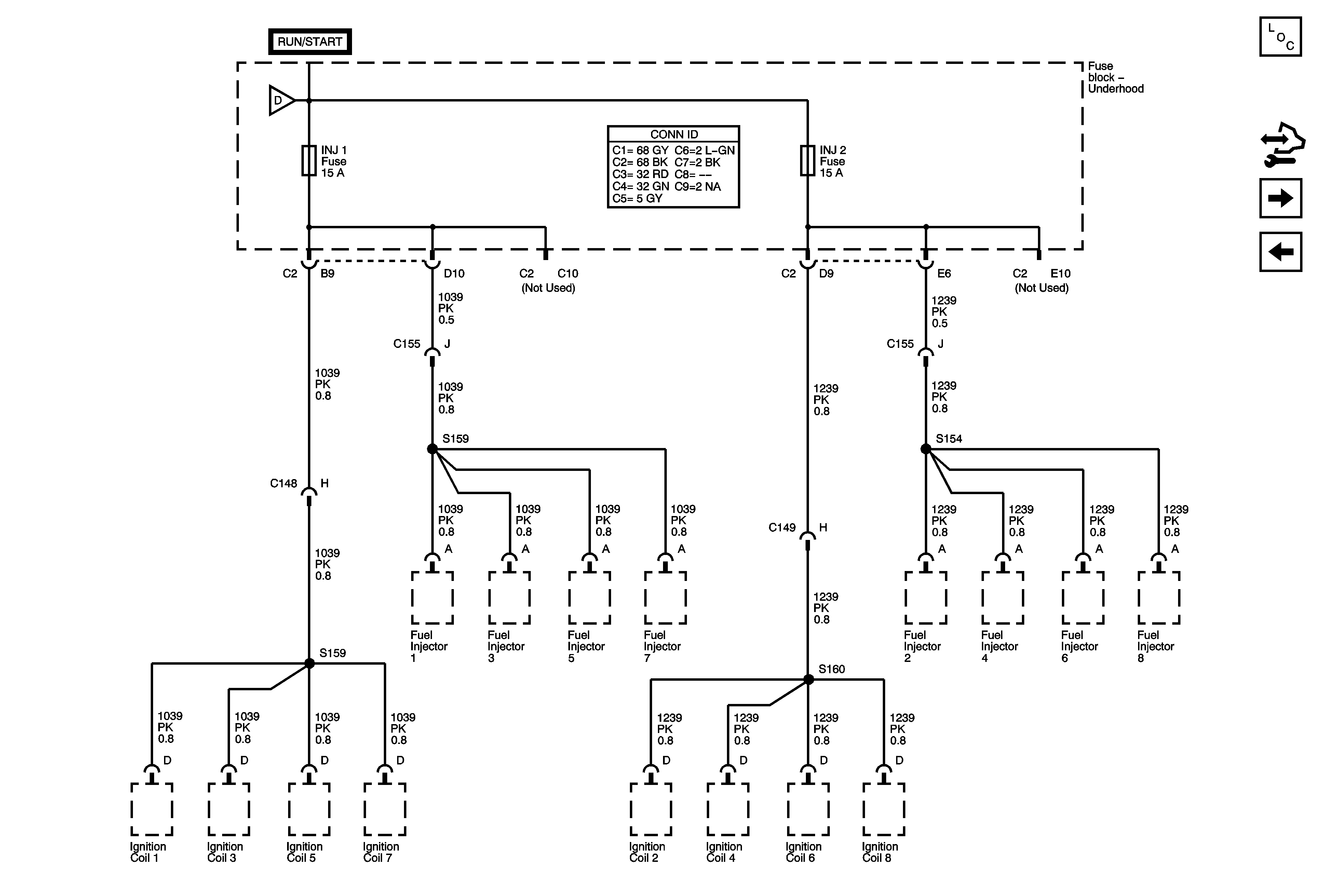
🢒 INJ1 and INJ2 Fuses - 8.1L
INJ1 and INJ2 Fuses - 8.1L
INJ 1 and INJ 2 Fuses - 8.1L
Master Electrical Component List
Control Module References
FUEL/PUMP, LH HDLP, and RH HDLP Fuses
ETC/ECM, INJ1, INJ2, PCM 1, and SBA Fuses - Gas
ETC/ECM, INJ1, INJ2, PCM 1, and SBA Fuses - Gas