GM Service Manual Online
For 1990-2009 cars only
Makes
🢒
Cadillac
🢒
2007
🢒
Escalade EXT
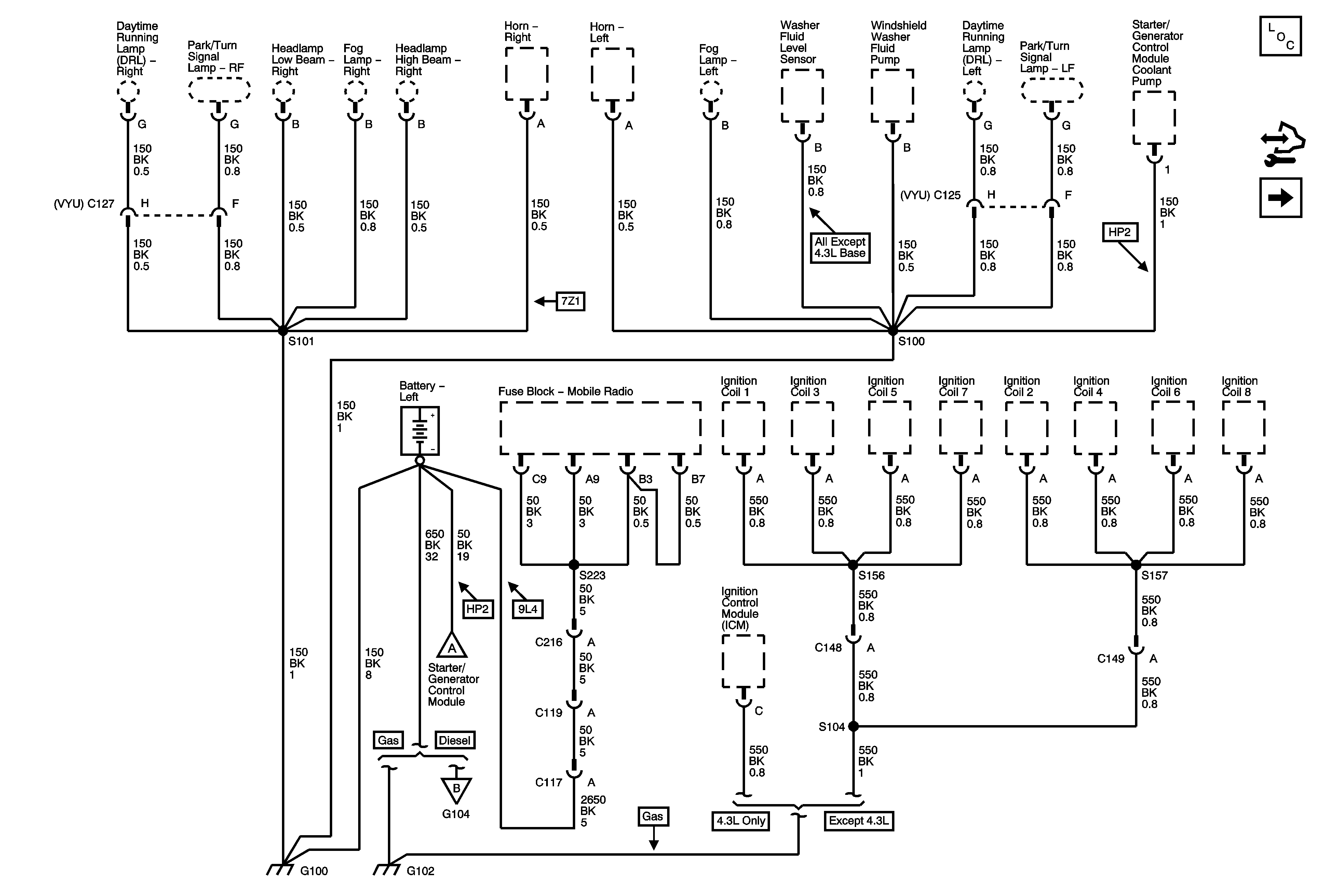
🢒 G100 and G102
G100 and G102
G100 and G102
Master Electrical Component List
Control Module References
G103 and G106 - Gas
G120, G121, G122, G310, G311, and G405 (HP2)
G104, G107, and G110