GM Service Manual Online
For 1990-2009 cars only
Makes
🢒
Cadillac
🢒
2007
🢒
Escalade EXT
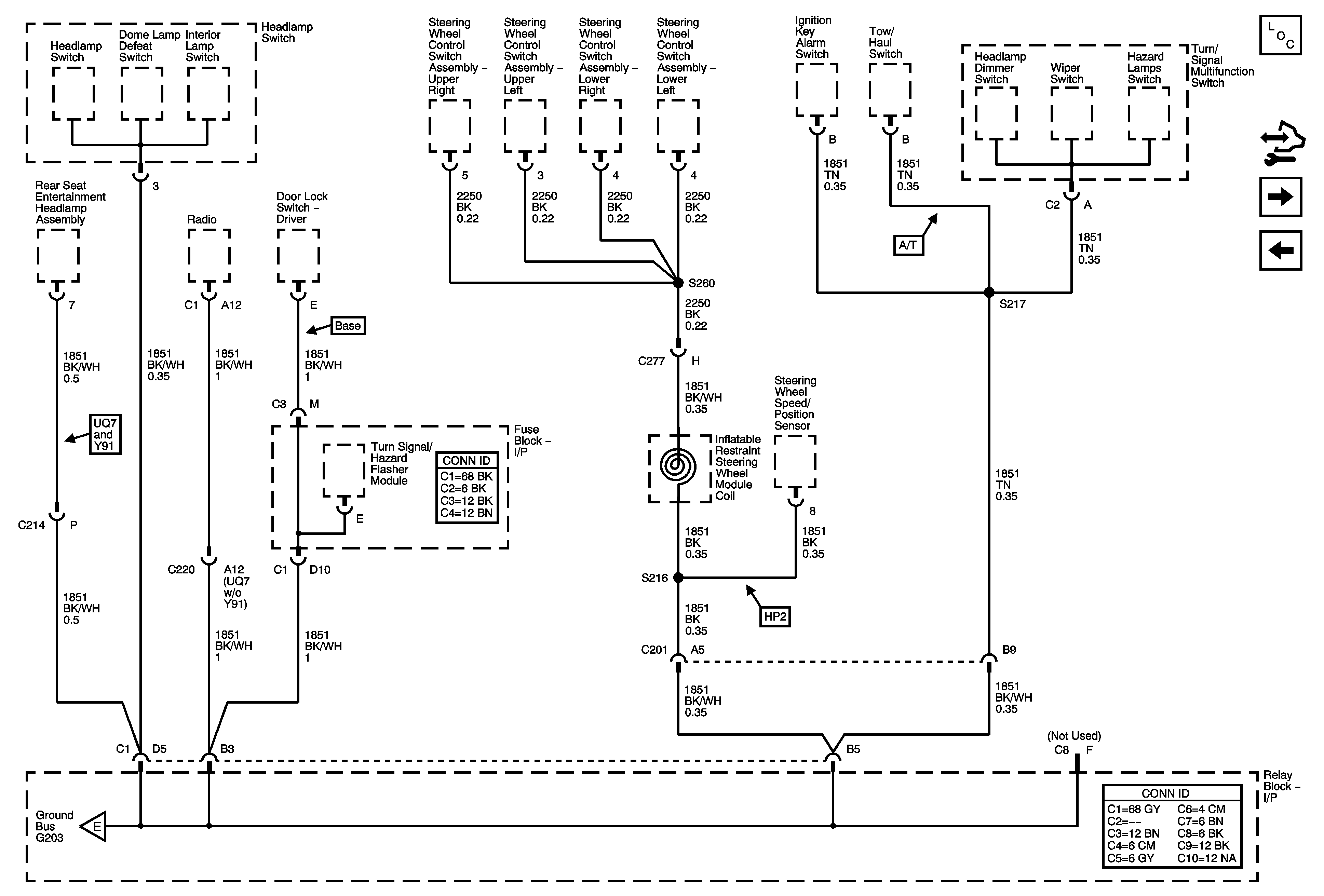
🢒 G203 - 2 of 2
G203 - 2 of 2
G203 2 of 2
Master Electrical Component List
Control Module References
G302
G203 - 1 of 2
G203 - 1 of 2