GM Service Manual Online
For 1990-2009 cars only
Makes
🢒
Cadillac
🢒
2007
🢒
Escalade EXT
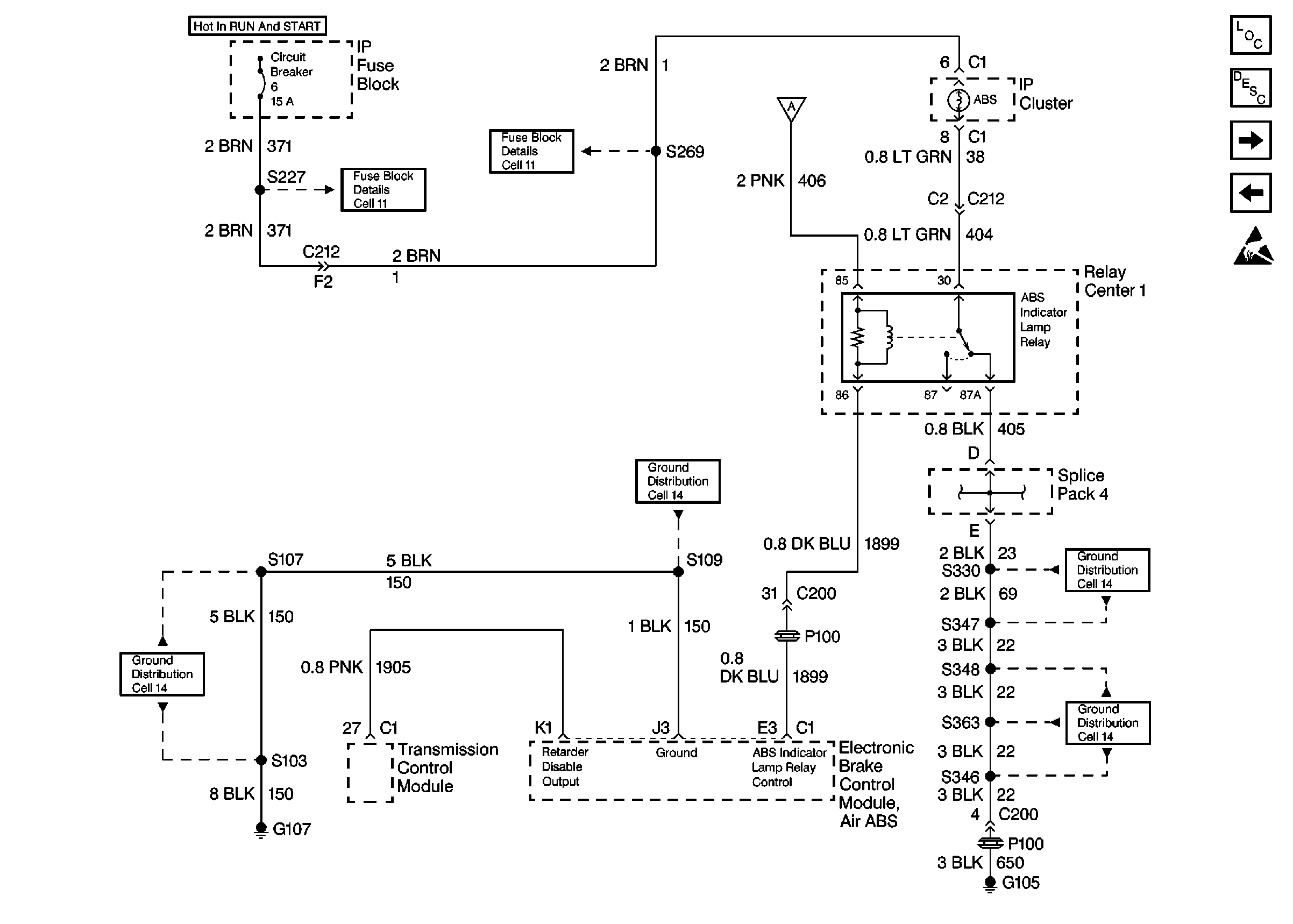
🢒 Cell 44: Air Antilock Brake System 2 of 4
Cell 44: Air Antilock Brake System 2 of 4
Cell 44: Air Antilock Brake System 2 of 4
Air Antilock Brakes System Components
Air ABS Description
Cell 44: Air Antilock Brake System 3 of 4
Cell 44: Air Antilock Brake System 1 of 4
Handling ESD Sensitive Parts Notice