GM Service Manual Online
For 1990-2009 cars only
Makes
🢒
Cadillac
🢒
2007
🢒
Escalade EXT
🢒 Circuit Power, Headlamps
Circuit Power, Headlamps
Circuit Power, Headlamps
Lighting Systems Components
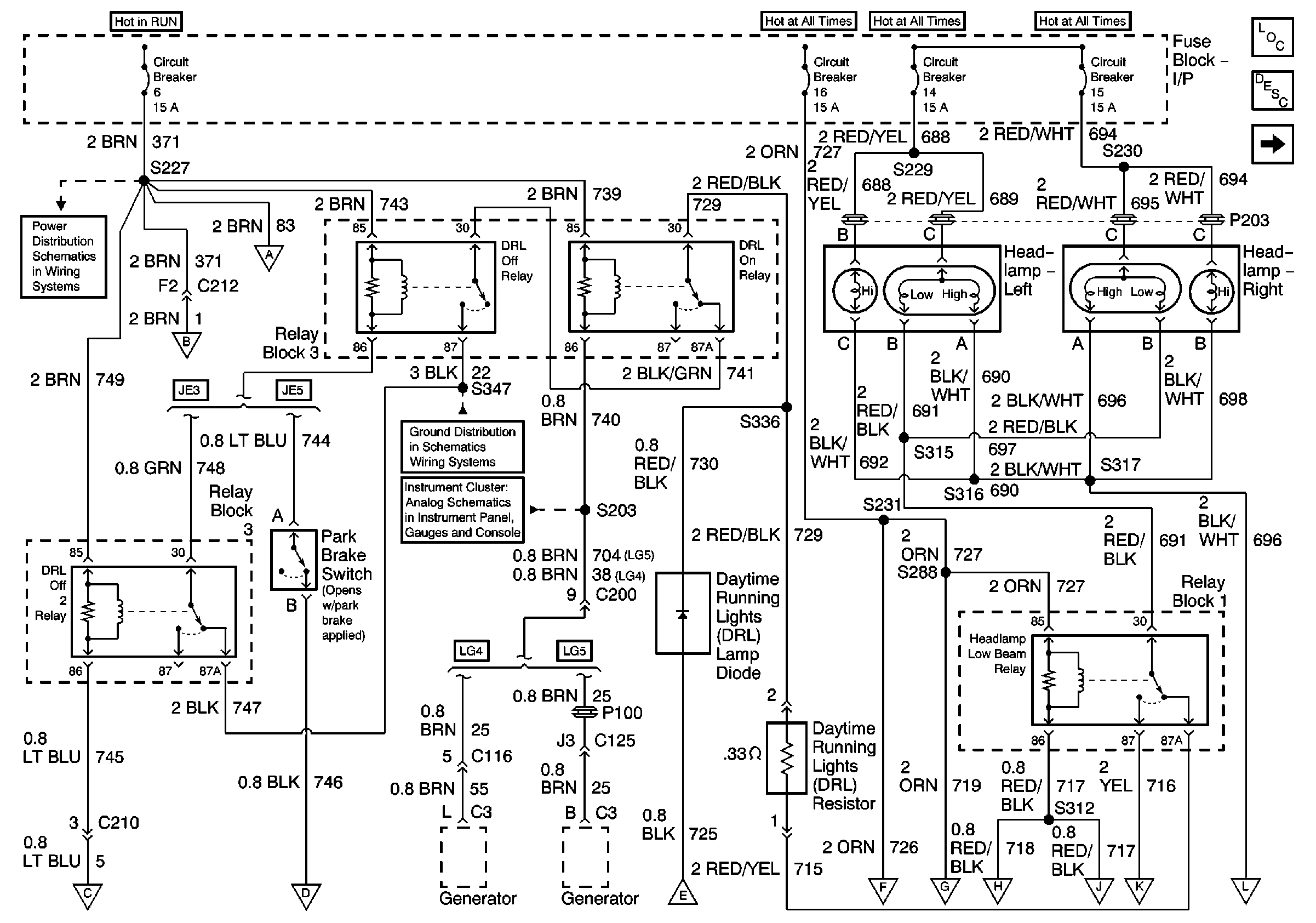
Headlights/Daytime Running Lights (DRL) Circuit Description
DRL Controls
IP Fuse Block, Circuit Breaker 6 (1 of 3)
G105 Continued, S346, S347, S348, S363
G105 Continued, S346, S347, S348, S363
DRL Controls
DRL Controls
DRL Controls
DRL Controls
DRL Controls
DRL Controls
DRL Controls
DRL Controls
DRL Controls
DRL Controls
DRL Controls