GM Service Manual Online
For 1990-2009 cars only
Makes
🢒
Cadillac
🢒
2007
🢒
Escalade EXT
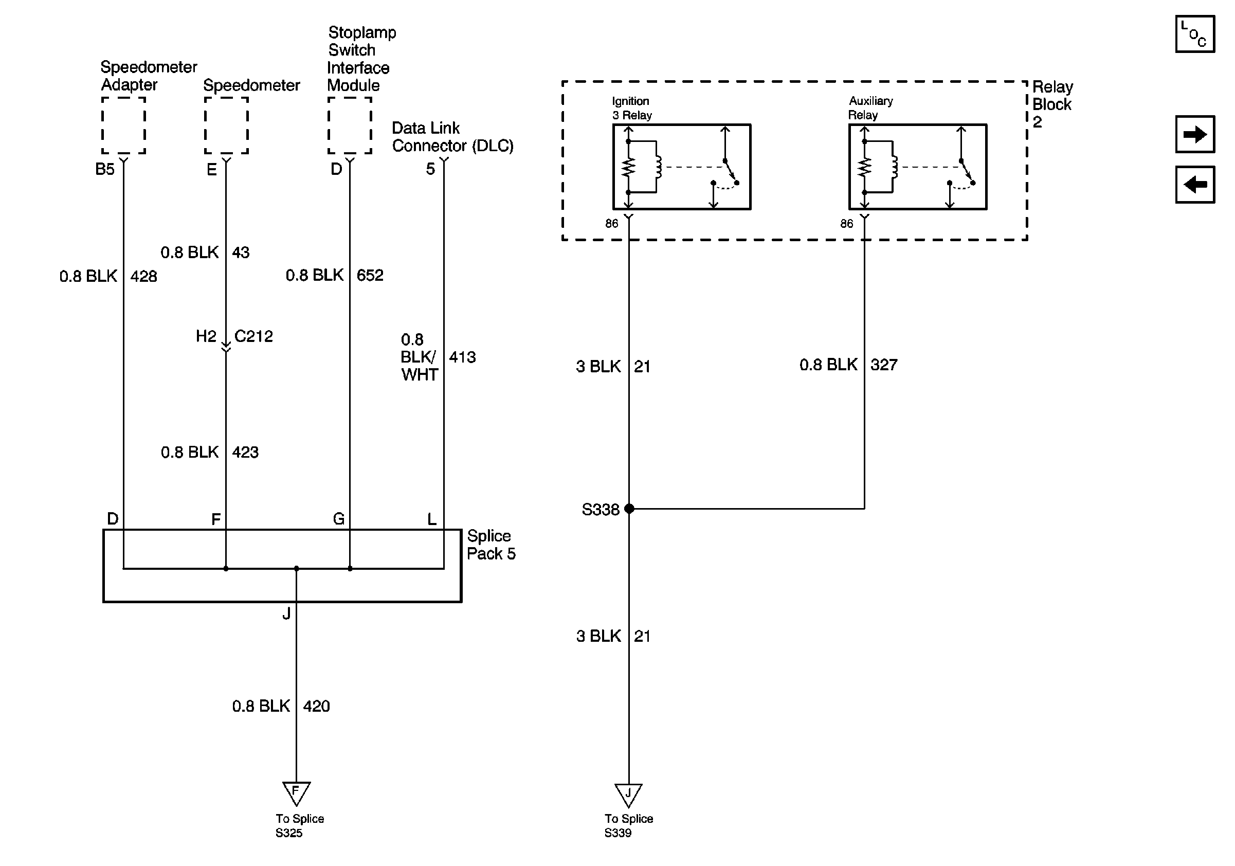
🢒 G105 Continued, S338
G105 Continued, S338
G105 Continued, S338
Power and Grounding Components
G105 Continued, S346, S347, S348, S363
G105 Continued, S323, S339, S341, S357, S358
G105 Continued, S323, S339, S341, S357, S358
G105 Continued, S323, S339, S341, S357, S358