GM Service Manual Online
For 1990-2009 cars only
Makes
🢒
Cadillac
🢒
2007
🢒
Escalade EXT
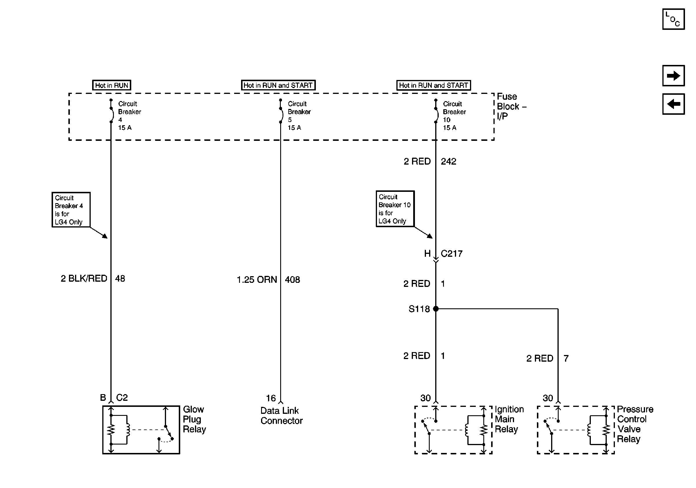
🢒 IP Fuse Block, Circuit Breakers 4, 5, 10
IP Fuse Block, Circuit Breakers 4, 5, 10
IP Fuse Block, Circuit Breakers 4, 5, 10
Master Electrical Component List
IP Fuse Block, Circuit Breaker 6 (1 of 3)
IP Fuse Block, Circuit Breakers 1, 2, 3