GM Service Manual Online
For 1990-2009 cars only
Makes
🢒
Cadillac
🢒
2007
🢒
Escalade EXT
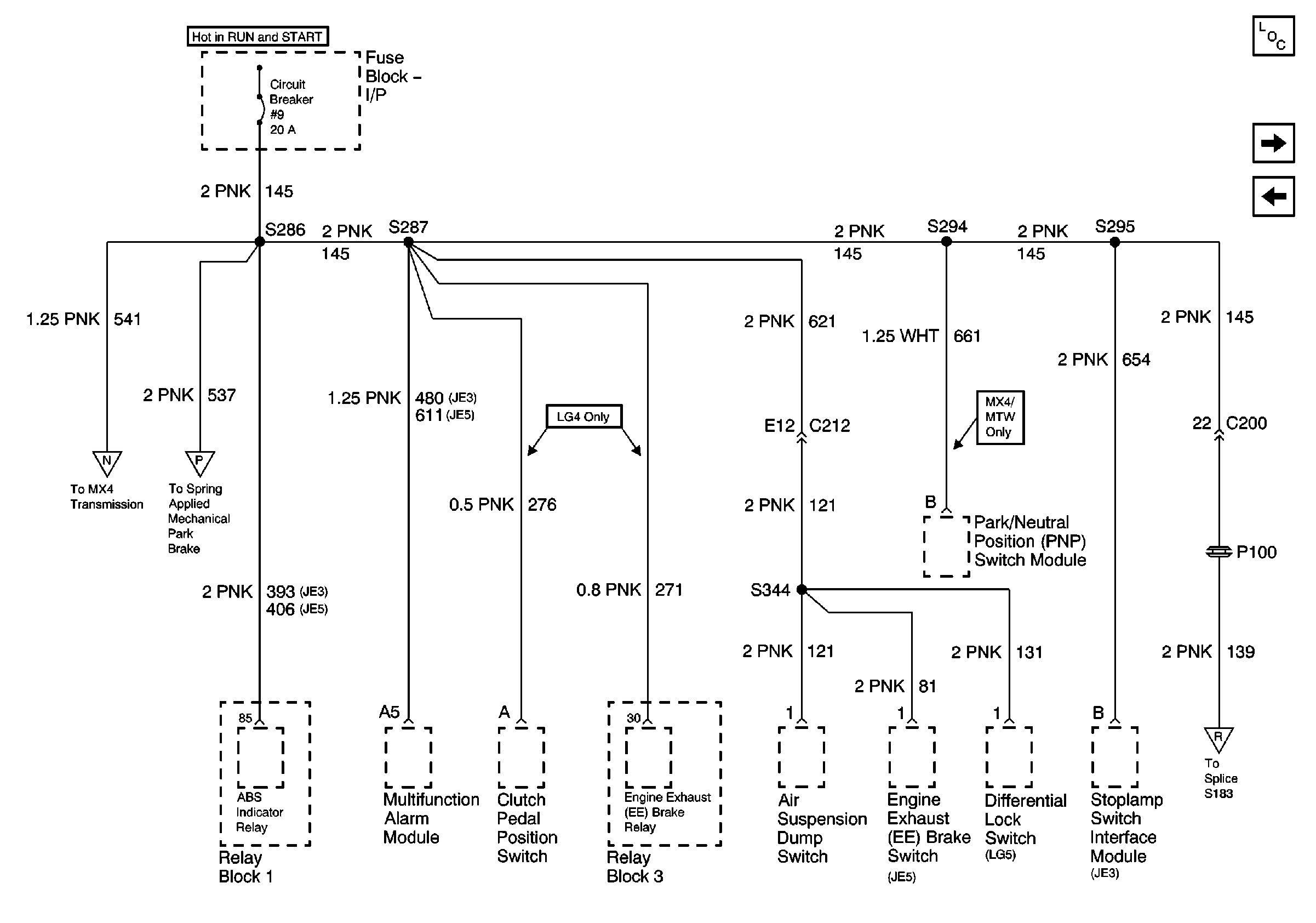
🢒 IP Fuse Block, Circuit Breaker 9 (1 of 3)
IP Fuse Block, Circuit Breaker 9 (1 of 3)
IP Fuse Block, Circuit Breaker 9 (1 of 3)
Master Electrical Component List
Circuit Breaker 9 (2 of 3)
IP Fuse Block, Circuit Breakers 7, 8
Circuit Breaker 9 (2 of 3)
Circuit Breaker 9 (2 of 3)
Circuit Breaker 9 (3 of 3)