GM Service Manual Online
For 1990-2009 cars only
Makes
🢒
Cadillac
🢒
2007
🢒
Escalade EXT
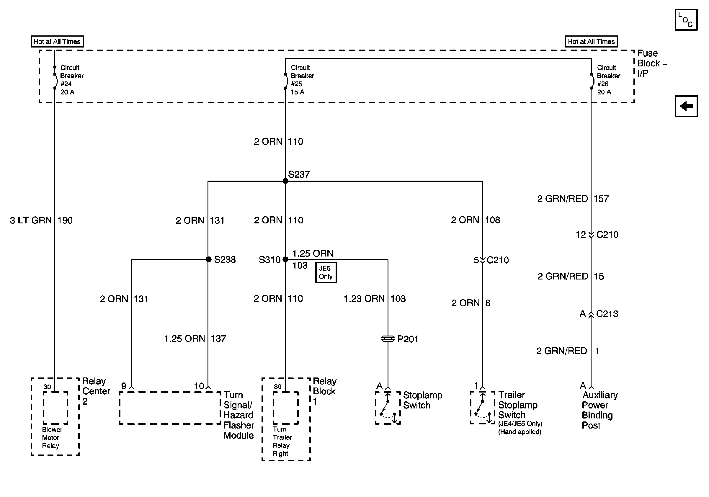
🢒 IP Fuse Block, Circuit Breakers 24, 25, 26
IP Fuse Block, Circuit Breakers 24, 25, 26
IP Fuse Block, Circuit Breakers 24, 25, 26
Master Electrical Component List
IP Fuse Block, Circuit Breakers 20, 21, 22, 23