GM Service Manual Online
For 1990-2009 cars only
Makes
🢒
Cadillac
🢒
2007
🢒
Escalade EXT
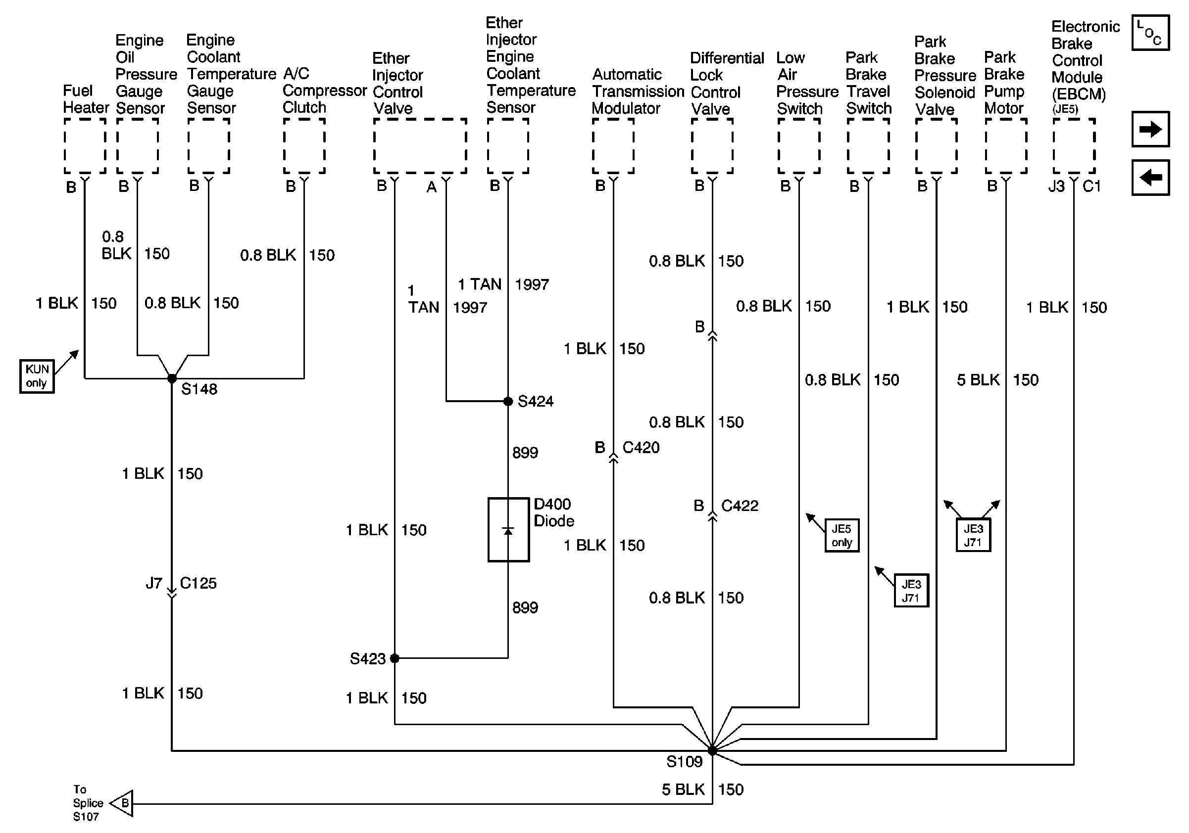
🢒 G107 Continued, S109 (LG5 Only), S148, S423, S424
G107 Continued, S109 (LG5 Only), S148, S423, S424
G107 Continued, S109 (LG5 Only), S148, S423, S424
Master Electrical Component List
G105, S325, S328
G107 Continued, S107
G107 Continued, S107