GM Service Manual Online
For 1990-2009 cars only
Makes
🢒
Cadillac
🢒
2007
🢒
Escalade EXT
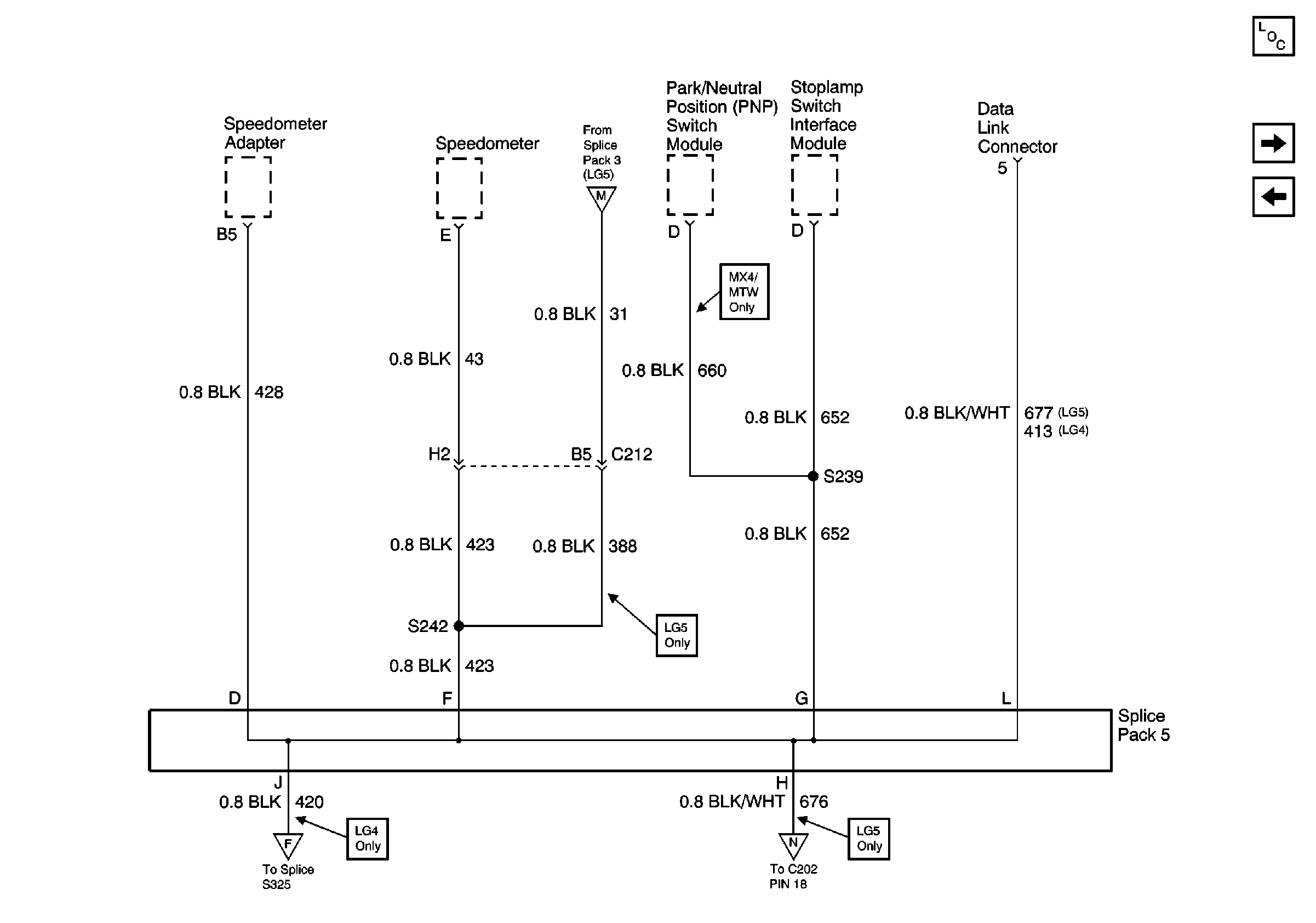
🢒 G105 Continued, Splice Pack 5, S242
G105 Continued, Splice Pack 5, S242
G105 Continued, Splice Pack 5, S242
Master Electrical Component List
G410, S135, S179, S407
G105 Continued, Splice Pack 1, Splice Pack 4, S450
G105 Continued, Splice Pack 3, S361
G105, S325, S328
G410, S135, S179, S407