GM Service Manual Online
For 1990-2009 cars only
Makes
🢒
Cadillac
🢒
2007
🢒
Escalade EXT
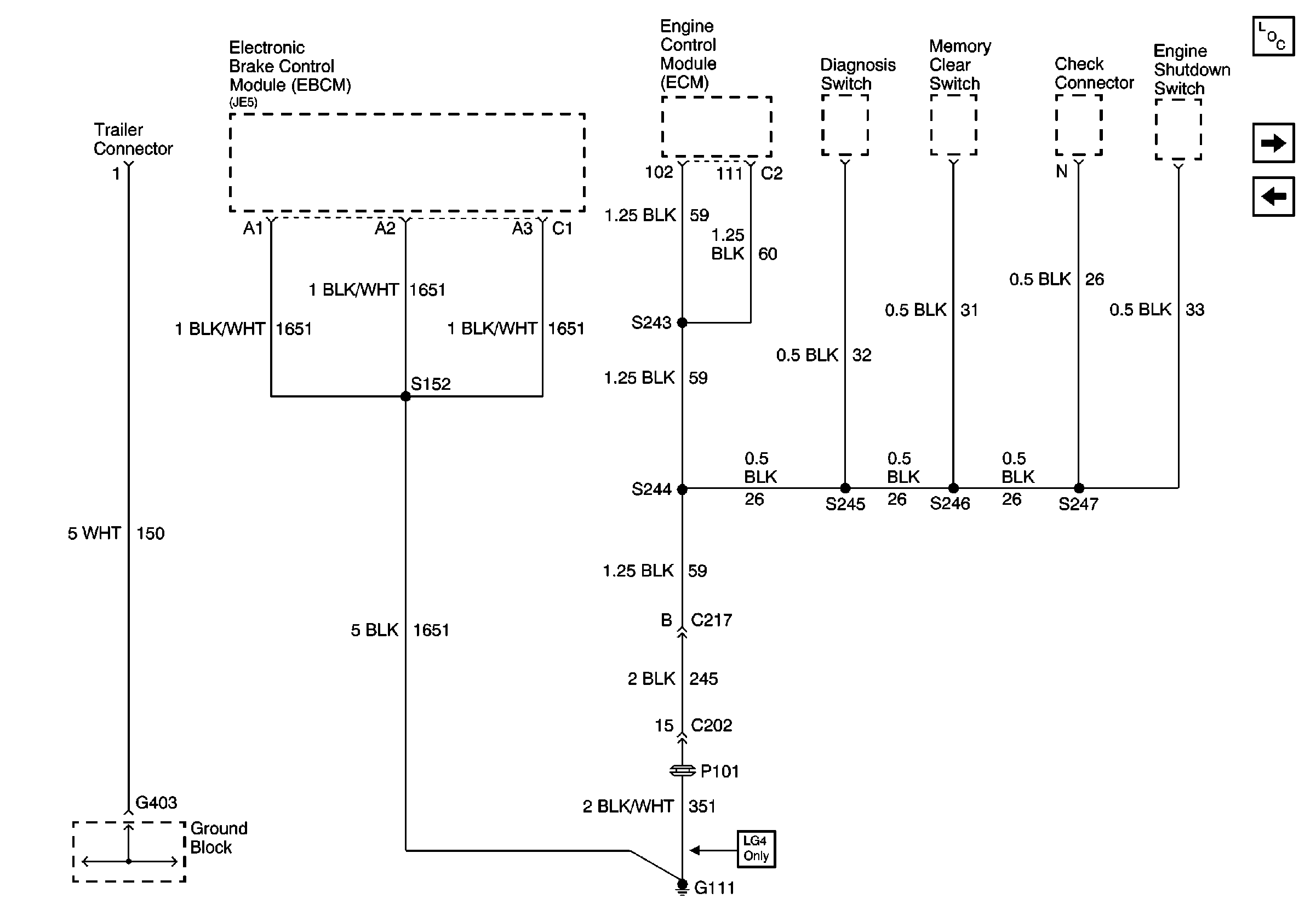
🢒 G111, S151, S243, S244, S245, S246, S247
G111, S151, S243, S244, S245, S246, S247
G111, S151, S243, S244, S245, S246, S247
Master Electrical Component List
G105 Continued, Splice Pack 2
G105 Continued, Splice Pack 3, S361