GM Service Manual Online
For 1990-2009 cars only
Makes
🢒
Cadillac
🢒
2007
🢒
Escalade EXT
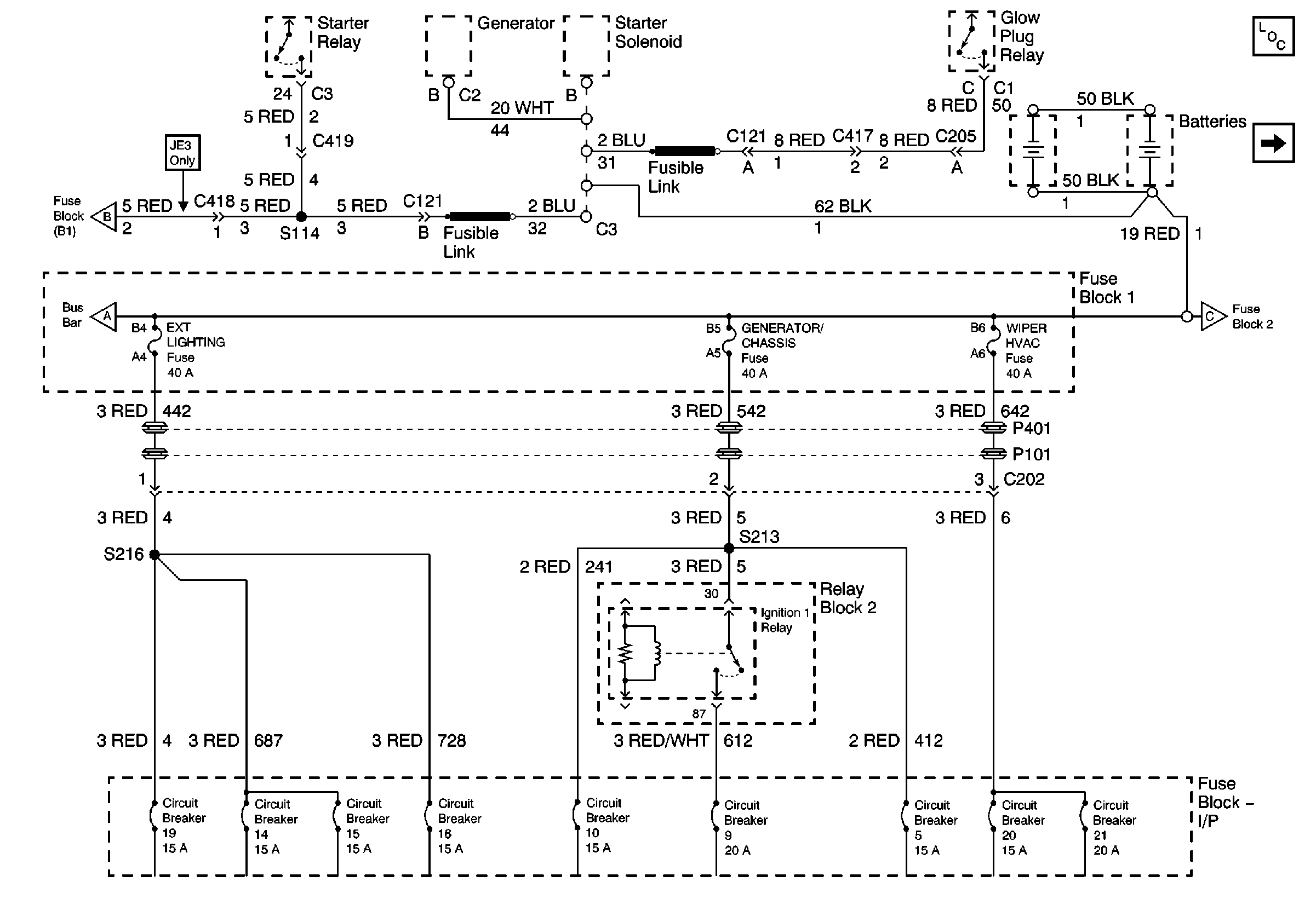
🢒 Fuse Block 1, EXT LIGHTING, GENERATOR/CHASSIS, WIPER/HVAC Fuses
Fuse Block 1, EXT LIGHTING, GENERATOR/CHASSIS, WIPER/HVAC Fuses
Fuse Block 1, EXT LIGHTING, GENERATOR/CHASSIS, WIPER/HVAC Fuses
Master Electrical Component List
Fuse Block 1, BRK BOOST MTR, COMPUTER/PRK BRK/ENG CONTROL, AUX Fuses
Fuse Block 1, BRK BOOST MTR, COMPUTER/PRK BRK/ENG CONTROL, AUX Fuses
Fuse Block 1, BRK BOOST MTR, COMPUTER/PRK BRK/ENG CONTROL, AUX Fuses
Fuse Block 2, 2 SPEED AXLE, HVAC, TURN SIGNAL, IGNITION, HYD ABS MODULE, AIR ABS RELAY, AIR ABS TRAILER RELAY Fuses