GM Service Manual Online
For 1990-2009 cars only
Makes
🢒
Cadillac
🢒
2007
🢒
Escalade EXT
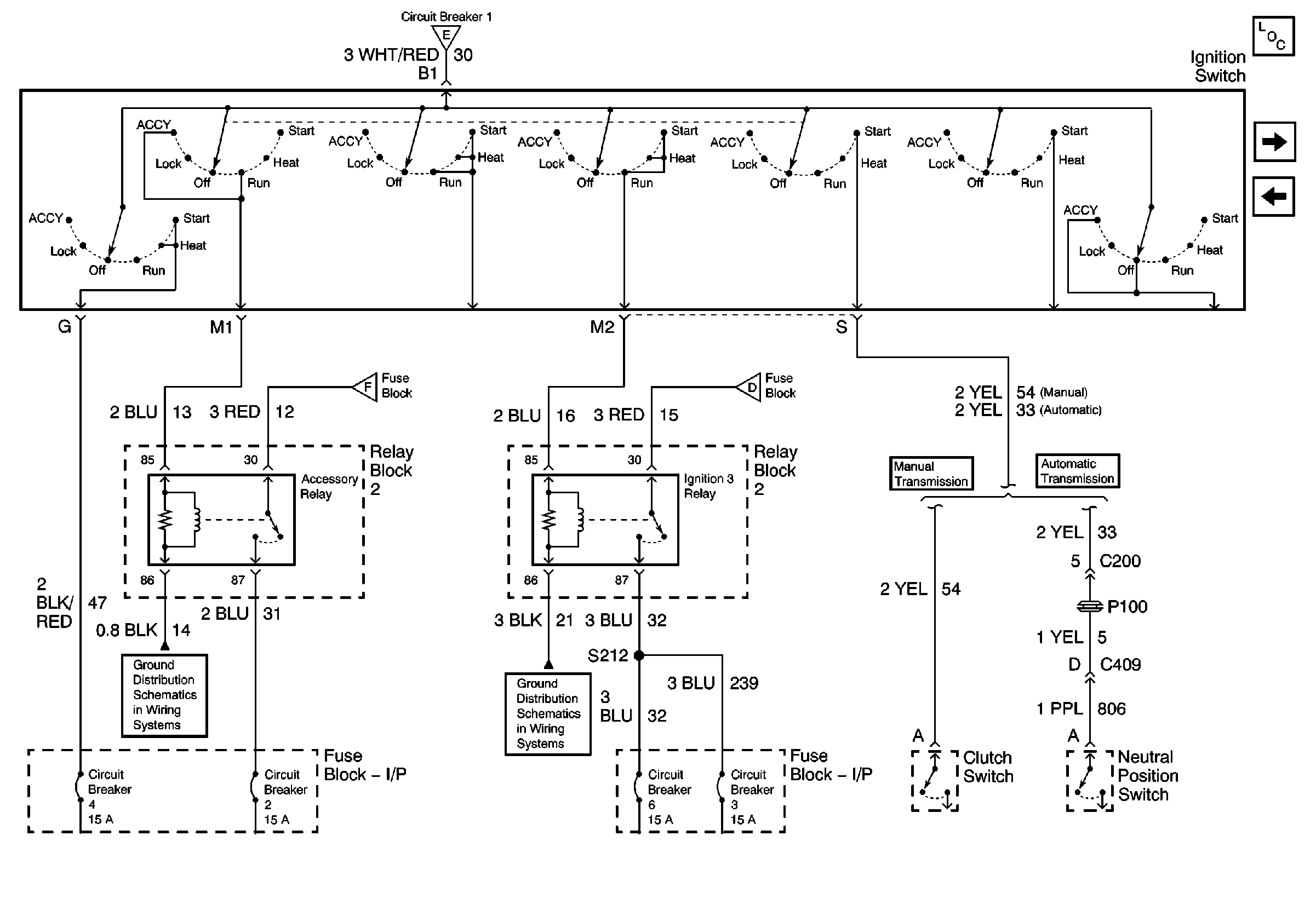
🢒 Ignition Switch, Ignition 3 Relay, Accessory Relay
Ignition Switch, Ignition 3 Relay, Accessory Relay
Ignition Switch, Igniton 3 Relay, Accessory Relay
Master Electrical Component List
IP Fuse Block, Circuit Breakers 1, 2, 3
Fuse Block 2, 2 SPEED AXLE, HVAC, TURN SIGNAL, IGNITION, HYD ABS MODULE, AIR ABS RELAY, AIR ABS TRAILER RELAY Fuses
Fuse Block 2, 2 SPEED AXLE, HVAC, TURN SIGNAL, IGNITION, HYD ABS MODULE, AIR ABS RELAY, AIR ABS TRAILER RELAY Fuses
Fuse Block 2, 2 SPEED AXLE, HVAC, TURN SIGNAL, IGNITION, HYD ABS MODULE, AIR ABS RELAY, AIR ABS TRAILER RELAY Fuses
Fuse Block 2, 2 SPEED AXLE, HVAC, TURN SIGNAL, IGNITION, HYD ABS MODULE, AIR ABS RELAY, AIR ABS TRAILER RELAY Fuses