GM Service Manual Online
For 1990-2009 cars only
Makes
🢒
Cadillac
🢒
2007
🢒
Escalade EXT
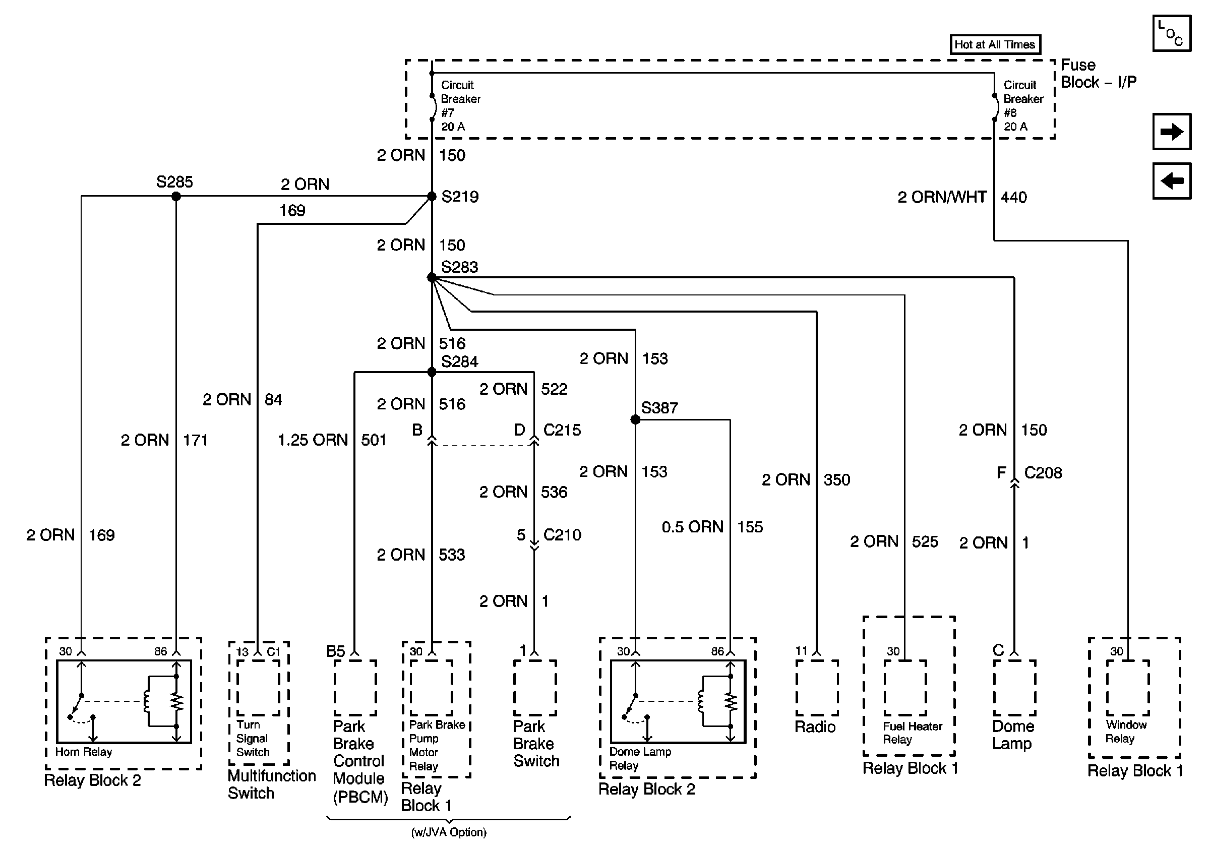
🢒 IP Fuse Block, Circuit Breakers 7, 8
IP Fuse Block, Circuit Breakers 7, 8
IP Fuse Block, Circuit Breakers 7, 8
Master Electrical Component List
IP Fuse Block, Circuit Breaker 9 (1 of 2)
Circuit Breaker 6 (2 of 2)