GM Service Manual Online
For 1990-2009 cars only
Makes
🢒
Cadillac
🢒
2007
🢒
Escalade EXT
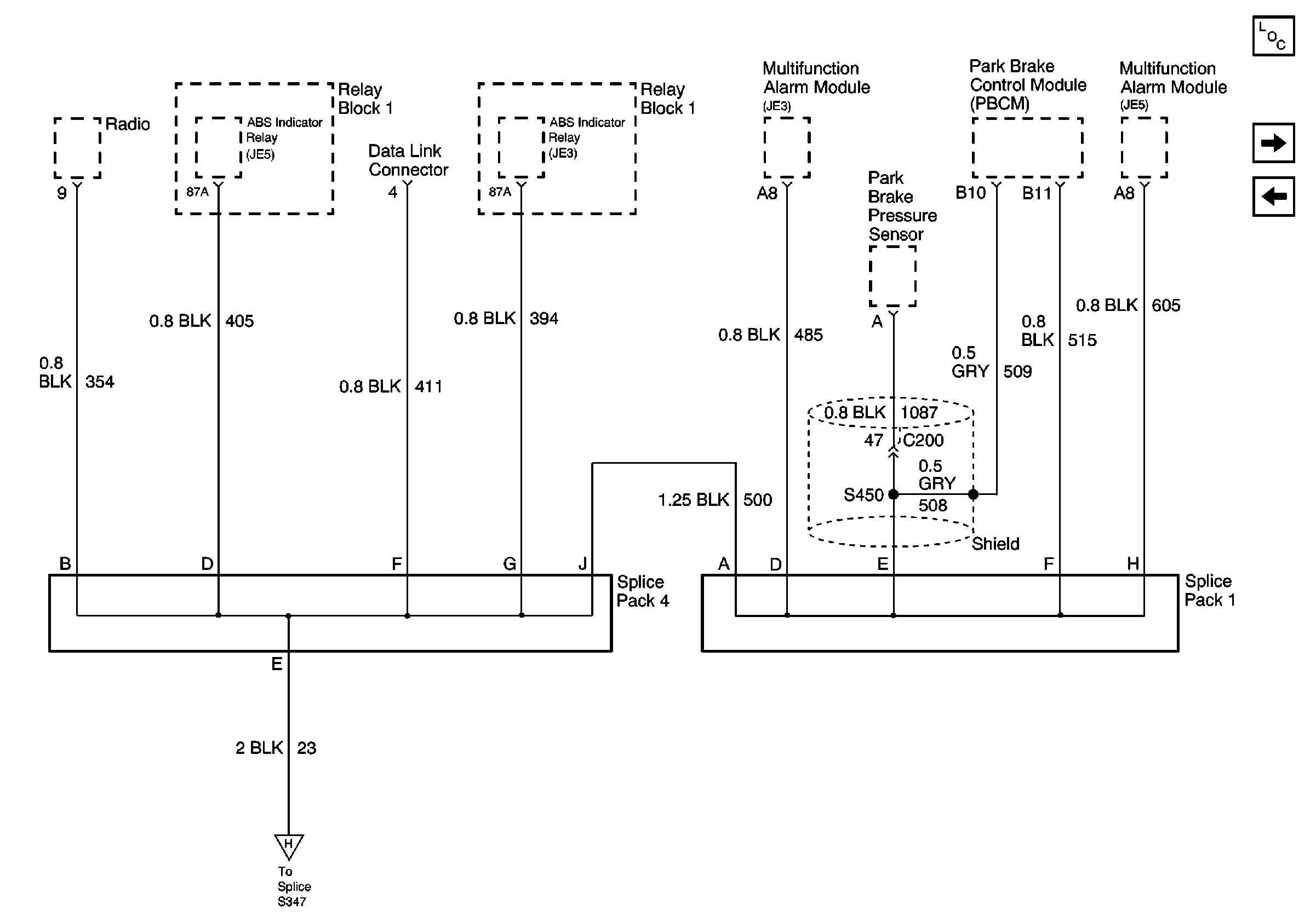
🢒 G105 Continued, Splice Pack 1, Splice Pack 4, S450
G105 Continued, Splice Pack 1, Splice Pack 4, S450
G105 Continued, Splice Pack 1, Splice Pack 4, S450
Master Electrical Component List
Splice Pack 2
G105 Continued, S330, S349, S359, S360, S600
G105 Continued, S346, S347, S348, S363