GM Service Manual Online
For 1990-2009 cars only
Makes
🢒
Cadillac
🢒
2007
🢒
Escalade EXT
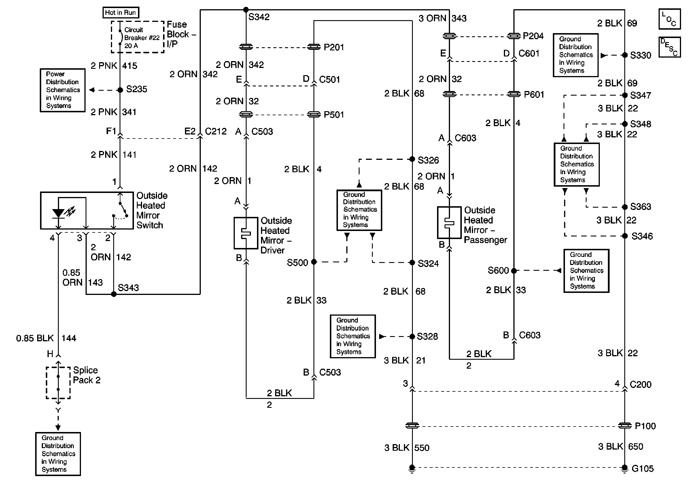
🢒 Outside Mirror Schematics
Outside Mirror Schematics
Master Electrical Component List
Outside Mirror Description and Operation
IP Fuse Block, Circuit Breaker 6 (1 of 3)
Interior Lights Dimming Schematic
G105 Continued, Splice Pack 2
G105, S325, S328
G105 Continued, S324, S326, S500
G105 Continued, S330, S345, S349, S359, S360, S600
G105 Continued, S346, S347, S348, S363
G105 Continued, S330, S345, S349, S359, S360, S600