GM Service Manual Online
For 1990-2009 cars only
Makes
🢒
Cadillac
🢒
2007
🢒
Escalade EXT
🢒 Circuit Power, Headlamps
Circuit Power, Headlamps
Circuit Power, Headlamps
Master Electrical Component List
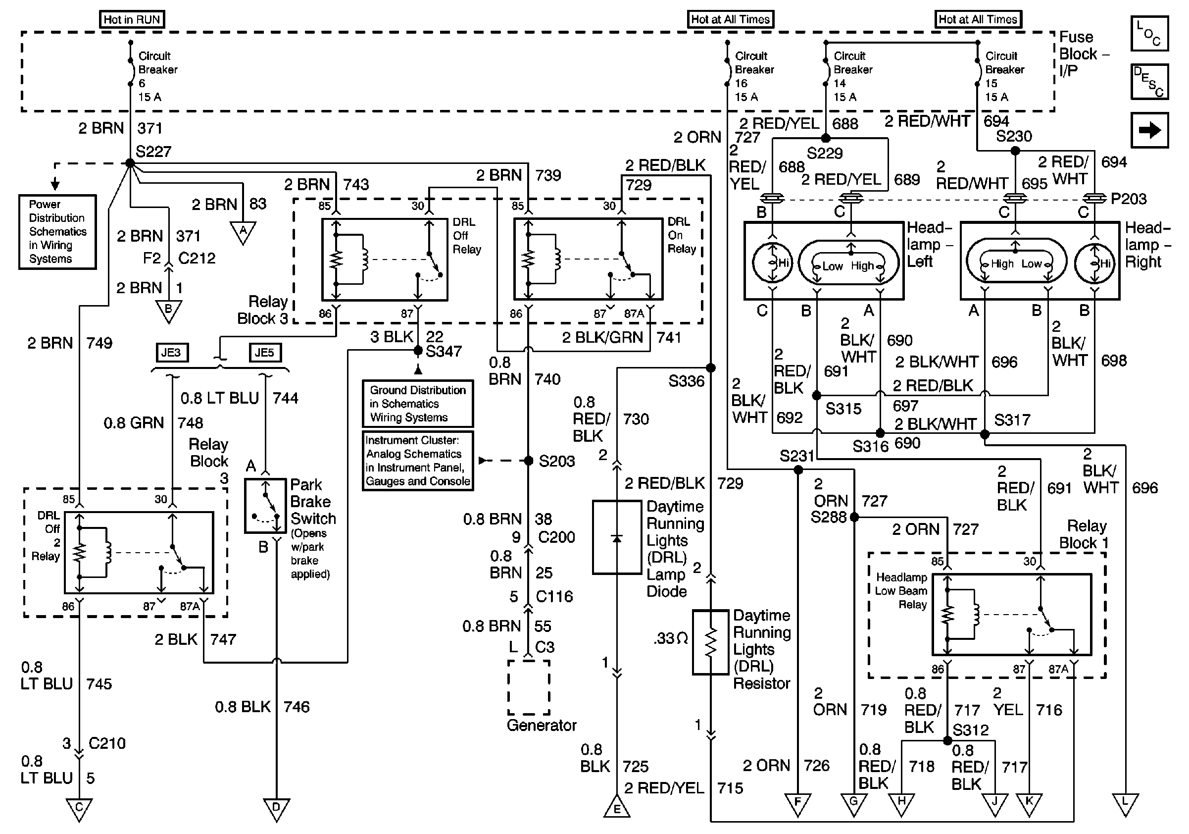
Exterior Lighting Systems Description and Operation
DRL Controls
IP Fuse Block, Circuit Breaker 6 (1 of 2)
G105 Continued, S346, S347, S348, S363
DRL, Service Trans Filter, Low Coolant, Oil Filter, Bat, High Beam and Service Engine Soon Lamps
DRL Controls
DRL Controls
DRL Controls
DRL Controls
DRL Controls
DRL Controls
DRL Controls
DRL Controls
DRL Controls
DRL Controls
DRL Controls