GM Service Manual Online
For 1990-2009 cars only
Makes
🢒
Cadillac
🢒
2007
🢒
Escalade EXT
🢒 1 of 2
1 of 2
1 of 2
Master Electrical Component List
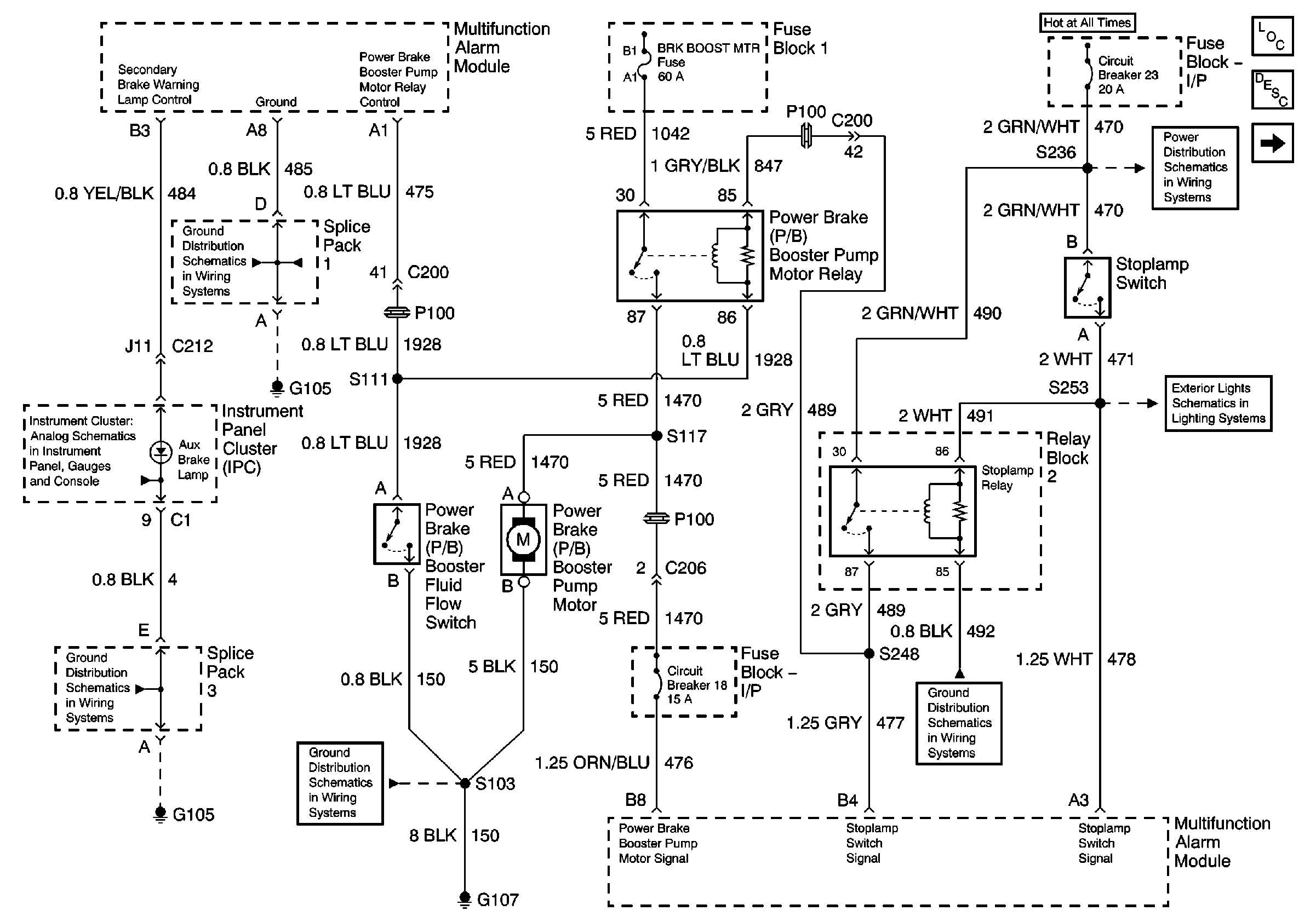
Hydraulic Brake System Description and Operation
2 of 2
Aux Brake, Apply Park Brake, RH Turn, LH Turn, Service Park Brake Lamps and Hourmeter
G105 Continued, Splice Pack 3, S361
G105 Continued, Splice Pack 1, Splice Pack 4, S450
G107, S103
G105 Continued, S323, S337, S339, S357, S358
IP Fuse Block, Circuit Breakers 20, 21, 22, 23
Hazard Flasher, Stop Lamps Switch-JE3