GM Service Manual Online
For 1990-2009 cars only
Makes
🢒
Cadillac
🢒
2007
🢒
Escalade EXT
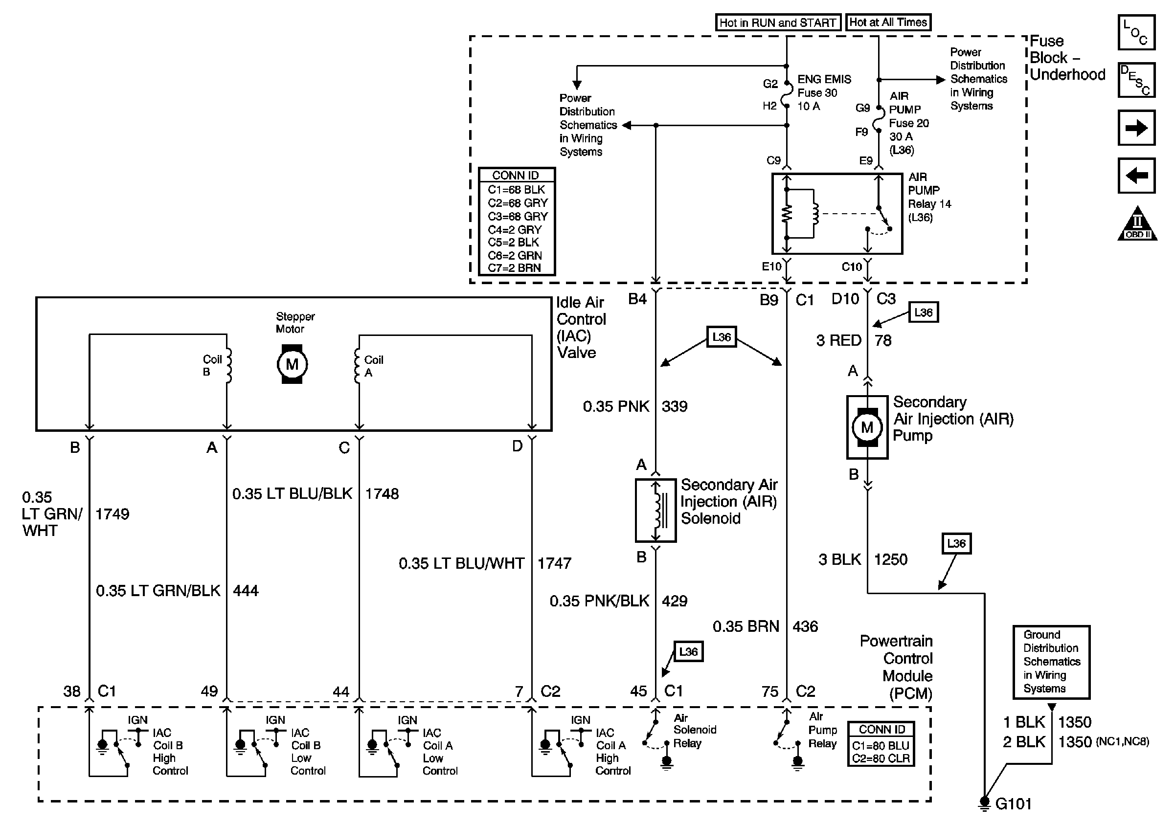
🢒 IAC Control
IAC Control
Device Controls -- IAC, AIR
Master Electrical Component List
Secondary Air Injection System Description
EVAP,MAF,and EGR
Fuel Pump Control, FTP
OBD II Symbol Description Notice
Fuse Block Underhood Power Bussing (Page 1 of 2)
Fuse Block Underhood Power Bussing (Page 1 of 2)
G101