GM Service Manual Online
For 1990-2009 cars only
Makes
🢒
Cadillac
🢒
2007
🢒
Escalade EXT
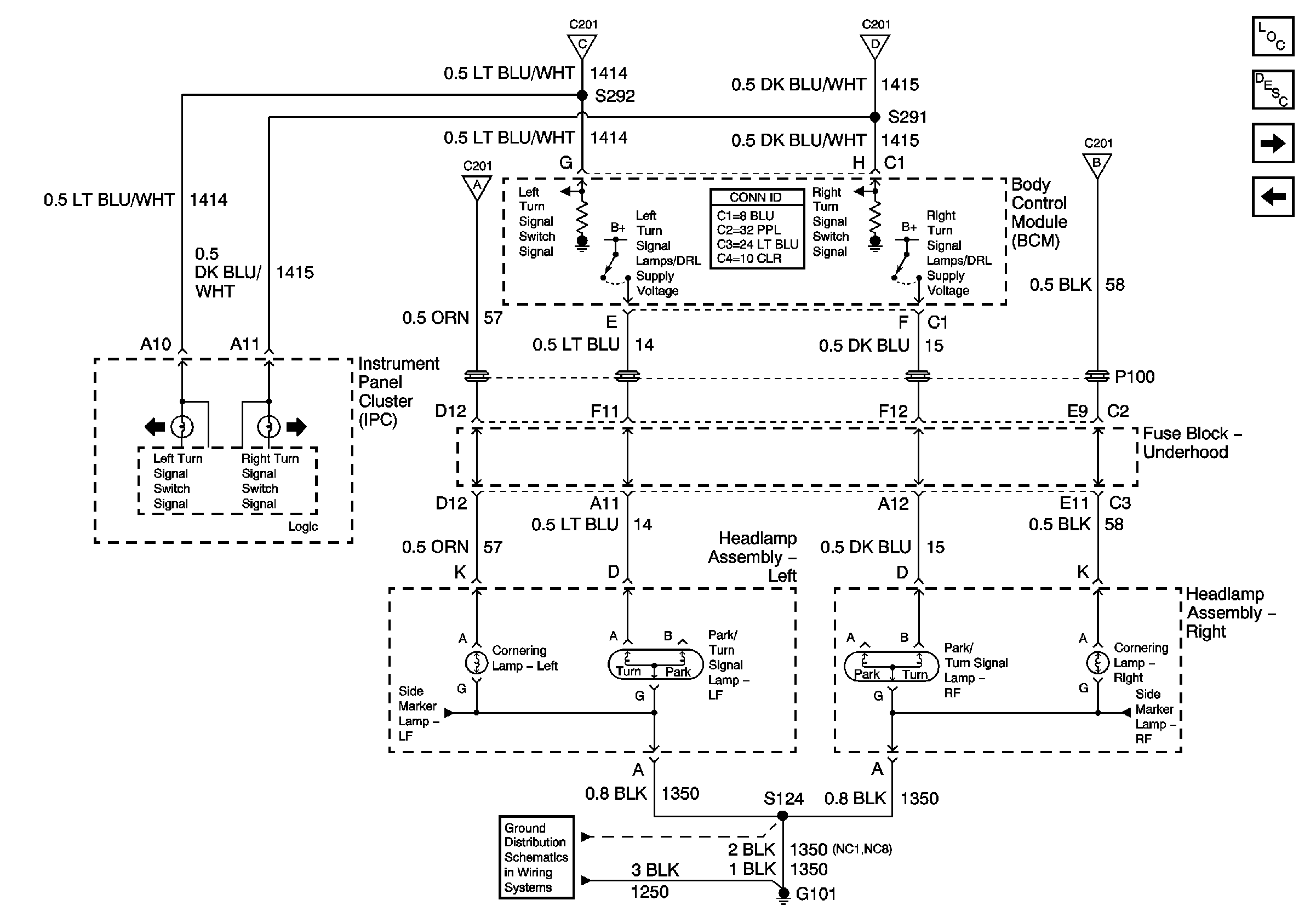
🢒 Front Turn Lamps and Cornering Lamps
Front Turn Lamps and Cornering Lamps
Front Turn Lamps, Cornering Lamps, and DRL
Master Electrical Component List
Exterior Lighting Systems Description and Operation
Front Park Lamps
Stop Lamp and Rear Turn Lamps
Stop Lamp and Rear Turn Lamps
Stop Lamp and Rear Turn Lamps
Stop Lamp and Rear Turn Lamps
Stop Lamp and Rear Turn Lamps
Front Park Lamps
Front Park Lamps
G101