GM Service Manual Online
For 1990-2009 cars only
Makes
🢒
Cadillac
🢒
2007
🢒
Escalade EXT
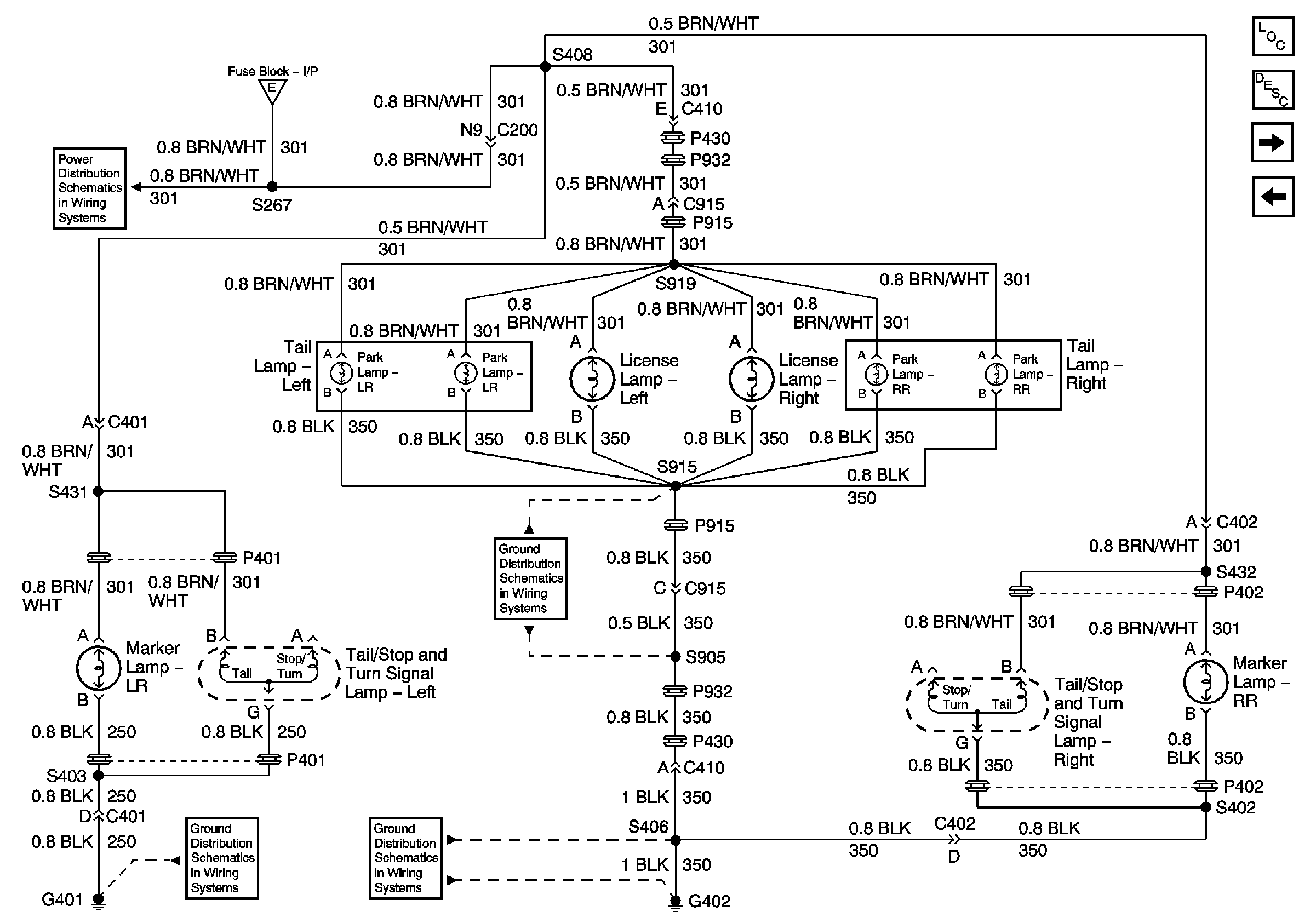
🢒 Rear Park Lamps and License Lamps
Rear Park Lamps and License Lamps
Rear Park Lamps and License Lamps
Master Electrical Component List
Exterior Lighting Systems Description and Operation
Back Up Lights (Regal)
Front Park Lamps
Lighting
Front Park Lamps
G402 (Page 2 of 2)
G401
G402 (Page 2 of 2)