GM Service Manual Online
For 1990-2009 cars only
Makes
🢒
Cadillac
🢒
2007
🢒
Escalade EXT
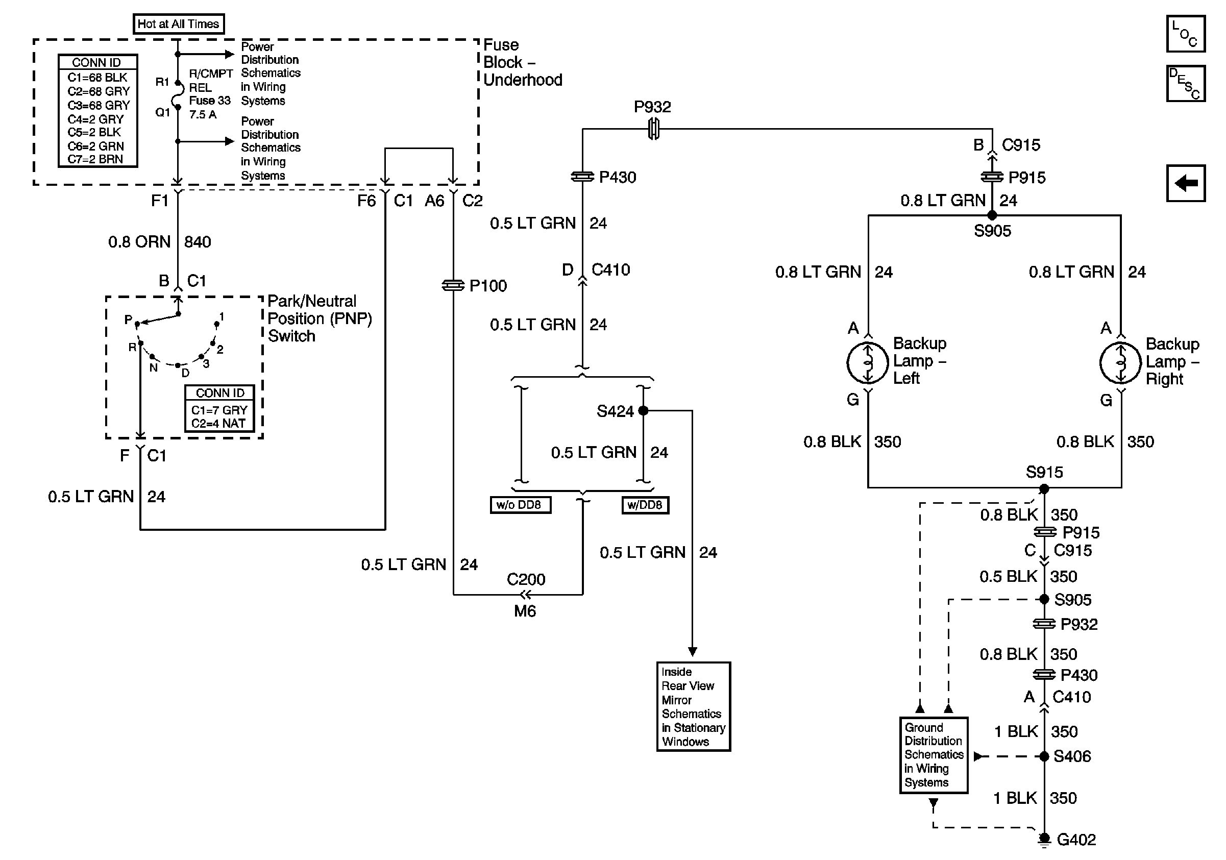
🢒 Back Up Lights (Century)
Back Up Lights (Century)
Back Up Lights - Century
Master Electrical Component List
Exterior Lighting Systems Description and Operation
Back Up Lights (Regal)
Fuse Block Underhood Power Bussing (Page 1 of 2)
Headlamps, Generator
Century
G402 (Page 2 of 2)