GM Service Manual Online
For 1990-2009 cars only
Makes
🢒
Cadillac
🢒
2007
🢒
Escalade EXT
🢒 Lamp Controls
Lamp Controls
Lamp Controls
Master Electrical Component List
Interior Lighting Systems Description and Operation
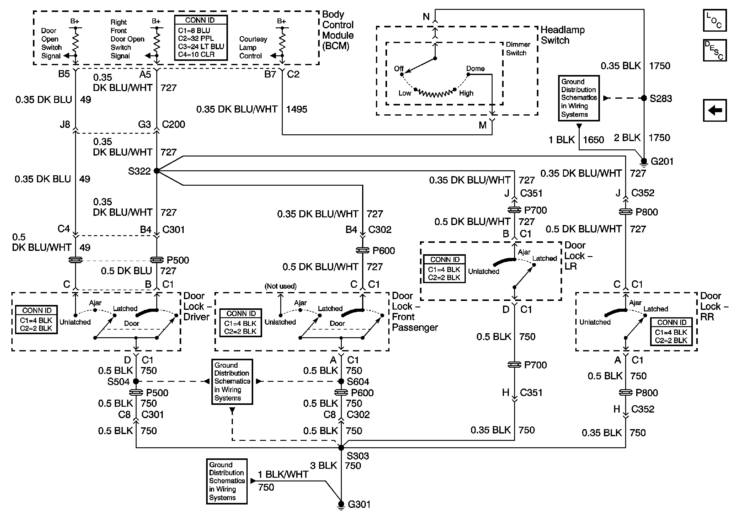
Rear Compartment Courtesy Lamp w/o Entrapment Protection
G201
G301 (Page 1 of 2)
G301 (Page 1 of 2)