GM Service Manual Online
For 1990-2009 cars only
Makes
🢒
Cadillac
🢒
2007
🢒
Escalade EXT
🢒 Wiper/Washer System
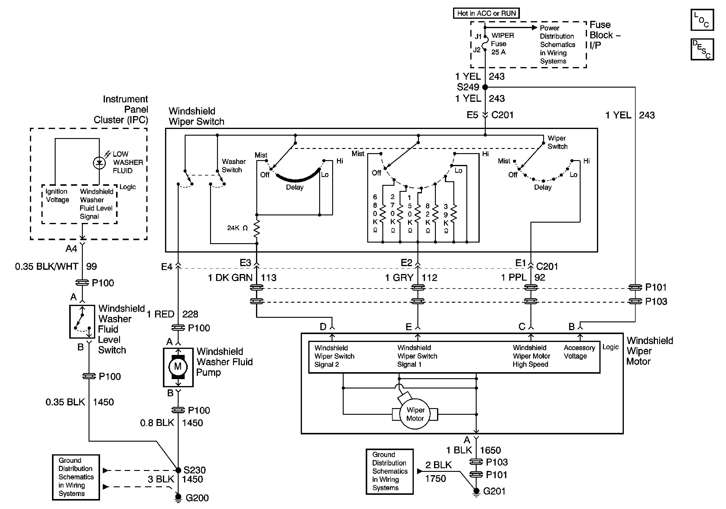
Wiper/Washer System
Master Electrical Component List
Wiper/Washer System Description and Operation
BCM, Power Drop, Steering Wheel Switches
G200 (Page 1 of 2)
G201