GM Service Manual Online
For 1990-2009 cars only
Makes
🢒
Cadillac
🢒
2007
🢒
Escalade EXT
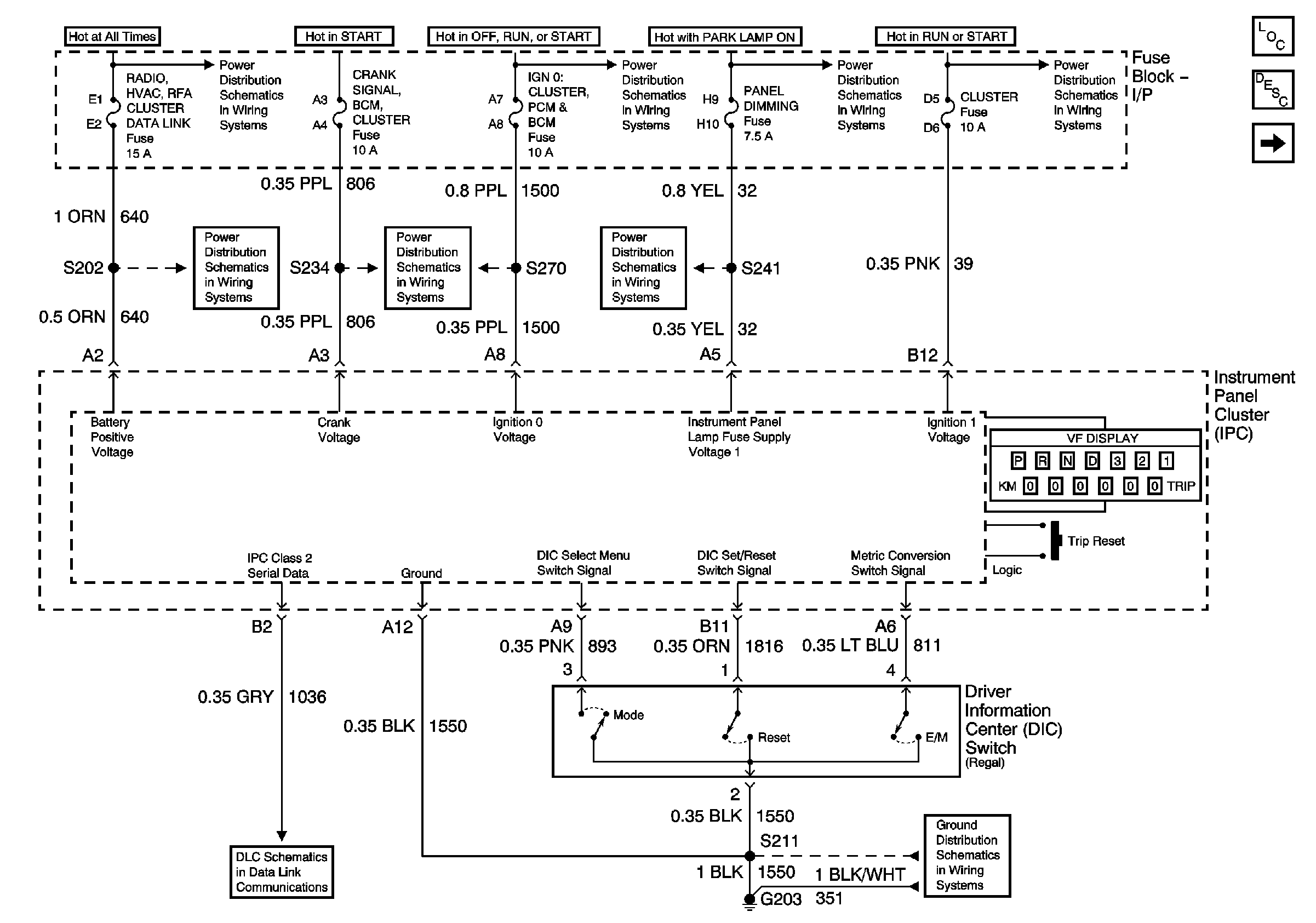
🢒 DID Switch, Power, Ground, and DLC
DID Switch, Power, Ground, and DLC
Power, Ground, DIC Switch, and DLC
Master Electrical Component List
Instrument Cluster Description and Operation
Gauges
Batt 1 Fuse
Power Distribution Schematics (IGN 1)
Lighting
Power Distribution Schematics (IGN 1)
Batt 1 Fuse
Cluster, BCM, PCM, BTSI
Lighting
Data Link Connector (DLC)
G203 (Page 1 of 2)