GM Service Manual Online
For 1990-2009 cars only
Makes
🢒
Cadillac
🢒
2007
🢒
Escalade EXT
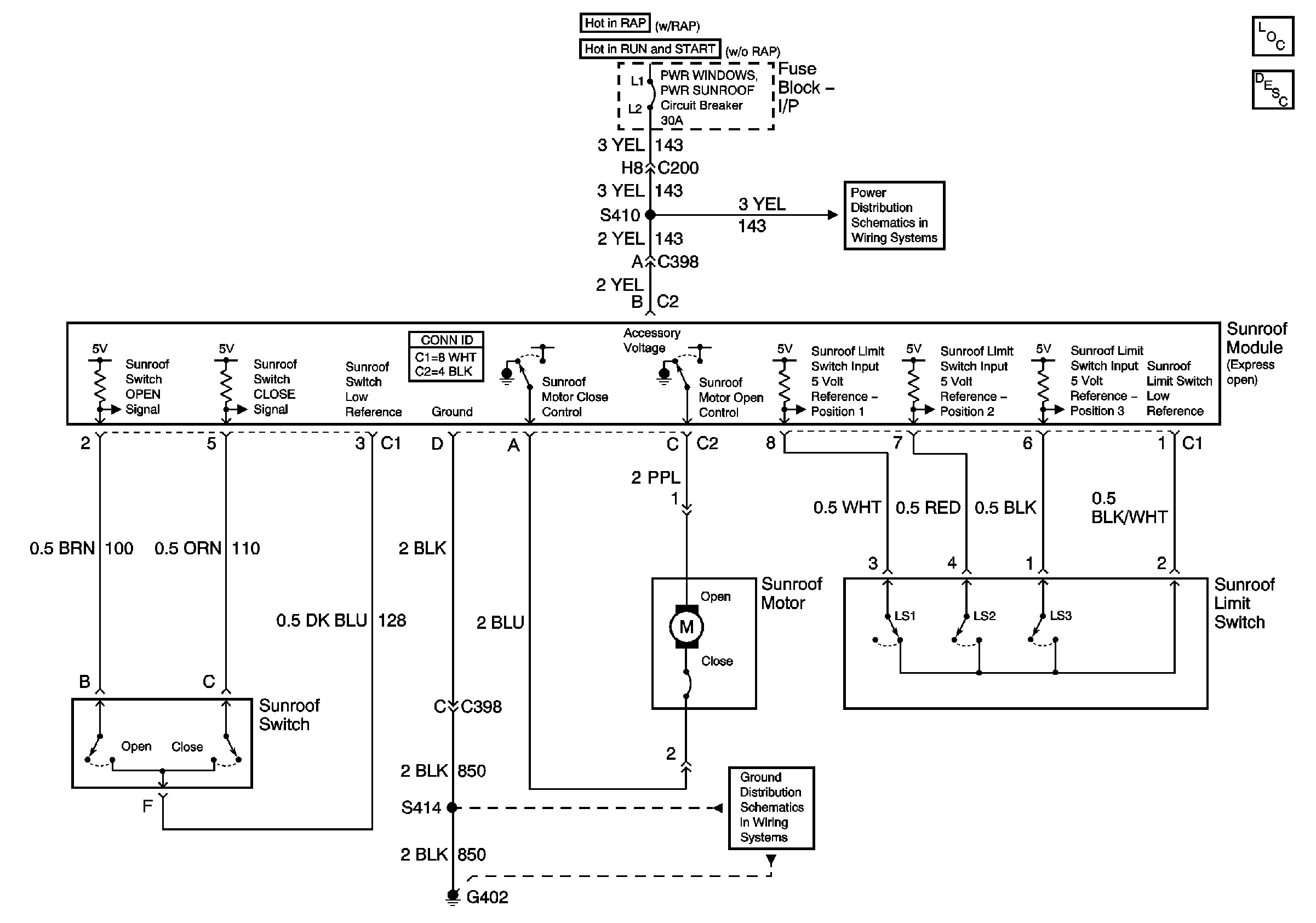
🢒 Power Sunroof
Power Sunroof
Master Electrical Component List
Sunroof Description and Operation
Lighting, Power Windows
G402 (Page 1 of 2)