GM Service Manual Online
For 1990-2009 cars only
Makes
🢒
Cadillac
🢒
2007
🢒
Escalade EXT
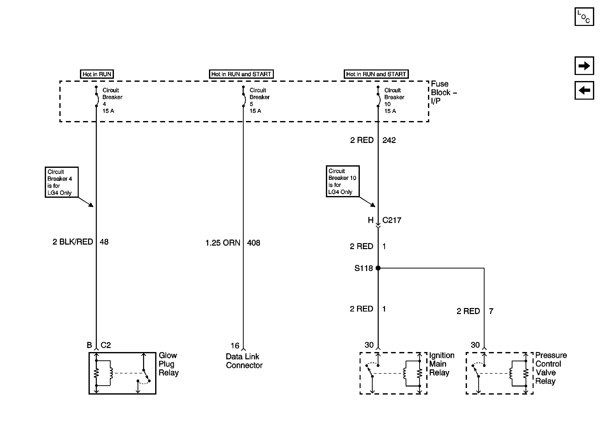
🢒 Power Distribution System Schematics - Fuse Block I/P, IGN Main Rly
Power Distribution System Schematics - Fuse Block I/P, IGN Main Rly
IP Fuse Block, Circuit Breakers 4, 5, 10
Master Electrical Component List
Power Distribution System Schematics - Fuse Block I/P, C.B. 6
Power Distribution System Schematics - Fuse Block I/P, C.B. 1, 2, 3