GM Service Manual Online
For 1990-2009 cars only
Makes
🢒
Cadillac
🢒
2007
🢒
Escalade EXT
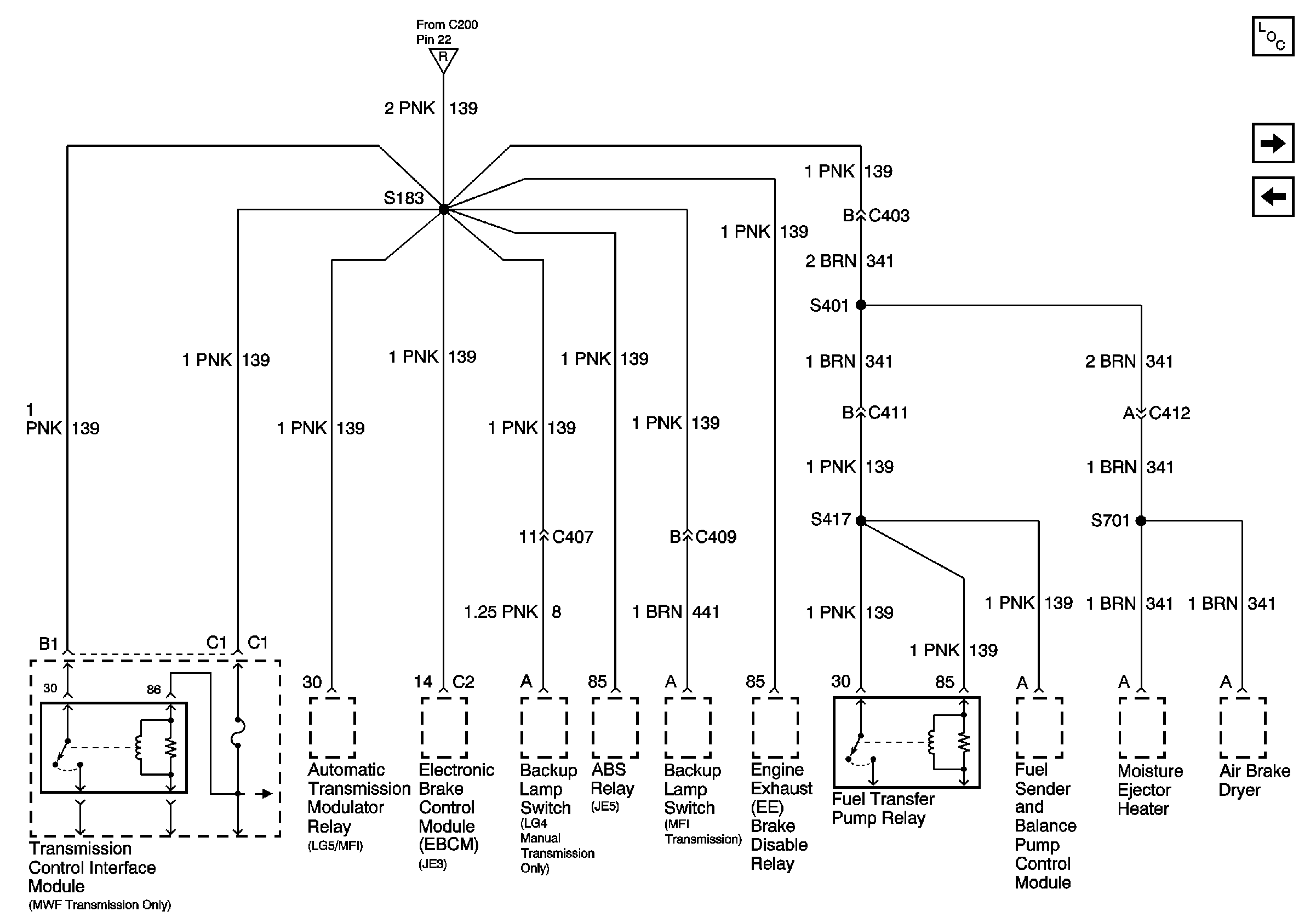
🢒 Power Distribution System Schematics - Feed from Circuit Breaker 9
Power Distribution System Schematics - Feed from Circuit Breaker 9
Circuit Breaker 9 (3 of 3)
Master Electrical Component List
Power Distribution System Schematics - FB I/P C.B. 11, 12, 13, 14, 15
Power Distribution System Schematics - Feed from Circuit Breaker 9
Power Distribution System Schematics - FB I/P, Circuit Breaker 9