GM Service Manual Online
For 1990-2009 cars only
Makes
🢒
Cadillac
🢒
2007
🢒
Escalade EXT
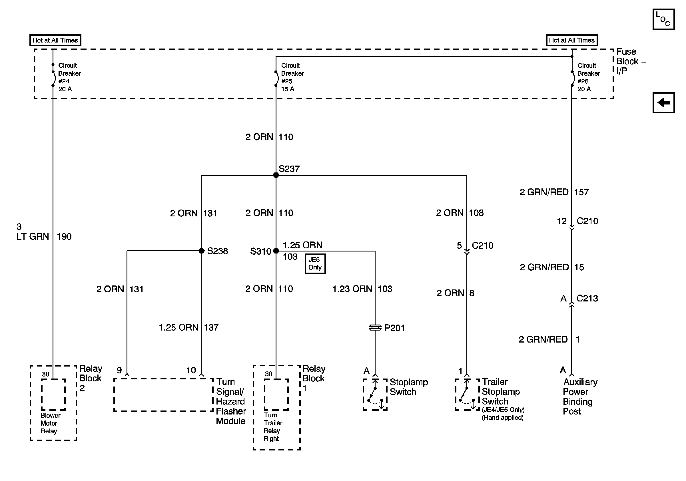
🢒 Power Distribution System Schematics - FB I/P C.B. 24, 25, 26
Power Distribution System Schematics - FB I/P C.B. 24, 25, 26
IP Fuse Block, Circuit Breakers 24, 25, 26
Master Electrical Component List
Power Distribution System Schematics - FB I/P C.B. 20, 21, 22, 23