GM Service Manual Online
For 1990-2009 cars only
Makes
🢒
Cadillac
🢒
2007
🢒
Escalade EXT
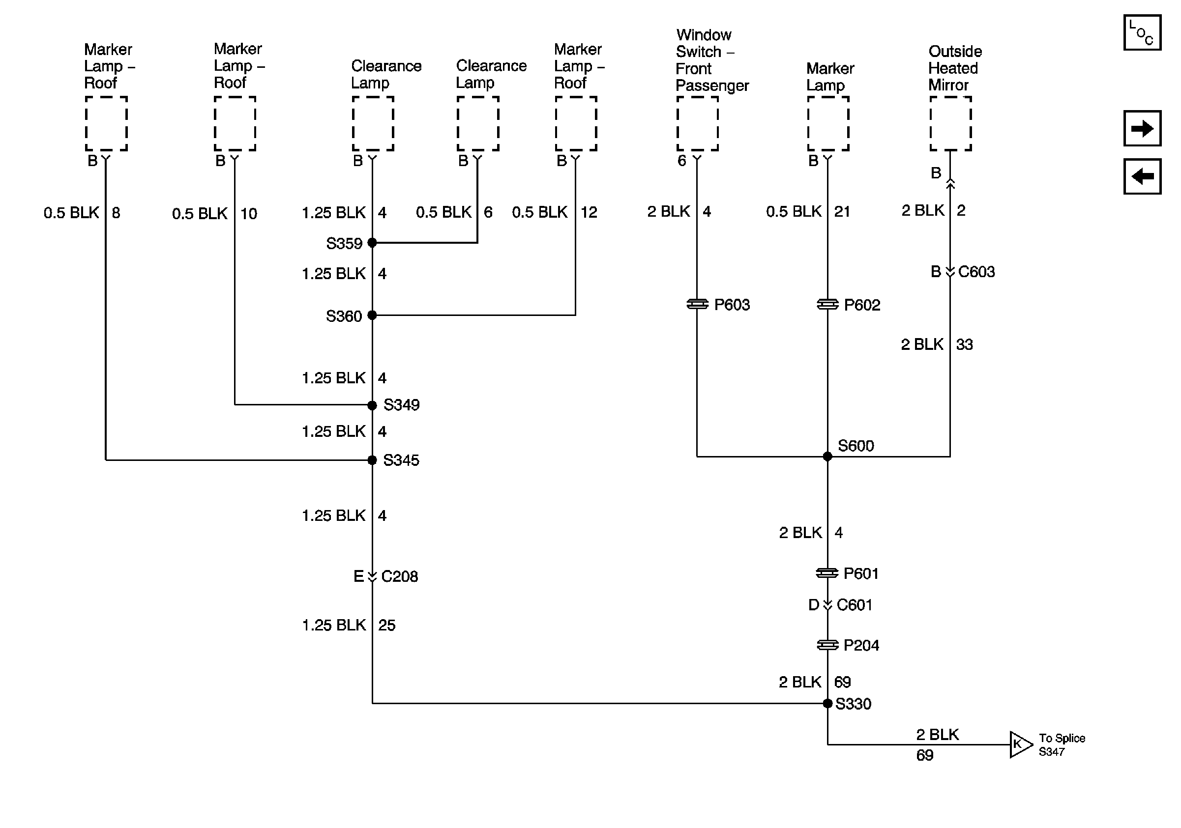
🢒 Ground Distribution Schematics - S330, S345, S349, S359, S360 and S600
Ground Distribution Schematics - S330, S345, S349, S359, S360 and S600
G105 Continued, S330, S345, S349, S359, S360, S600
Master Electrical Component List
Ground Distribution Schematics - S338
Ground Distribution Schematics - S346, S347, S348 and S363
Ground Distribution Schematics - S346, S347, S348 and S363