GM Service Manual Online
For 1990-2009 cars only
Makes
🢒
Cadillac
🢒
2007
🢒
Escalade EXT
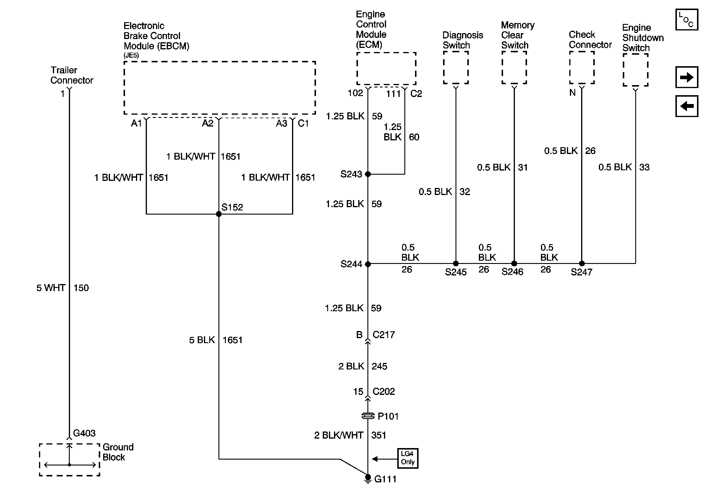
🢒 Ground Distribution Schematics - G111, G403, S152, S243, S244, S245
Ground Distribution Schematics - G111, G403, S152, S243, S244, S245
G111, S151, S243, S244, S245, S246, S247
Master Electrical Component List
Ground Distribution Schematics - G404, G405, G406, S402, S415, S421
Ground Distribution Schematics - Splice Pack 2