GM Service Manual Online
For 1990-2009 cars only
Makes
🢒
Cadillac
🢒
2007
🢒
Escalade EXT
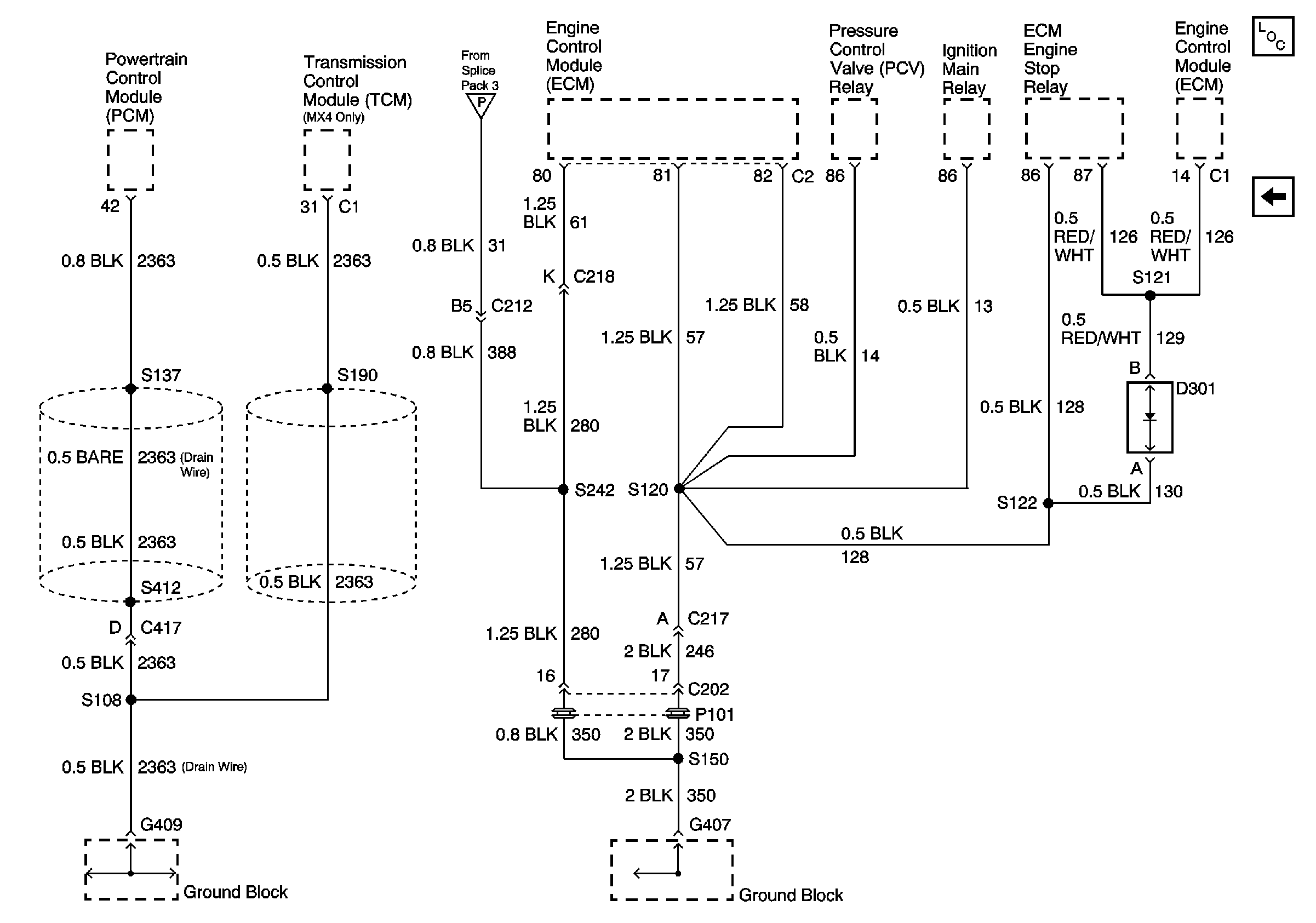
🢒 Ground Distribution Schematics - G407, G409, S108, S137, S150, S120
Ground Distribution Schematics - G407, G409, S108, S137, S150, S120
G403, G409, S108, S120, S121, S122, S137, S150, S190, S242, S412
Master Electrical Component List
Ground Distribution Schematics - G404, G405, G406, S402, S415, S421
Ground Distribution Schematics - Splice Pack 3 and S361