GM Service Manual Online
For 1990-2009 cars only
Makes
🢒
Cadillac
🢒
2007
🢒
Escalade EXT
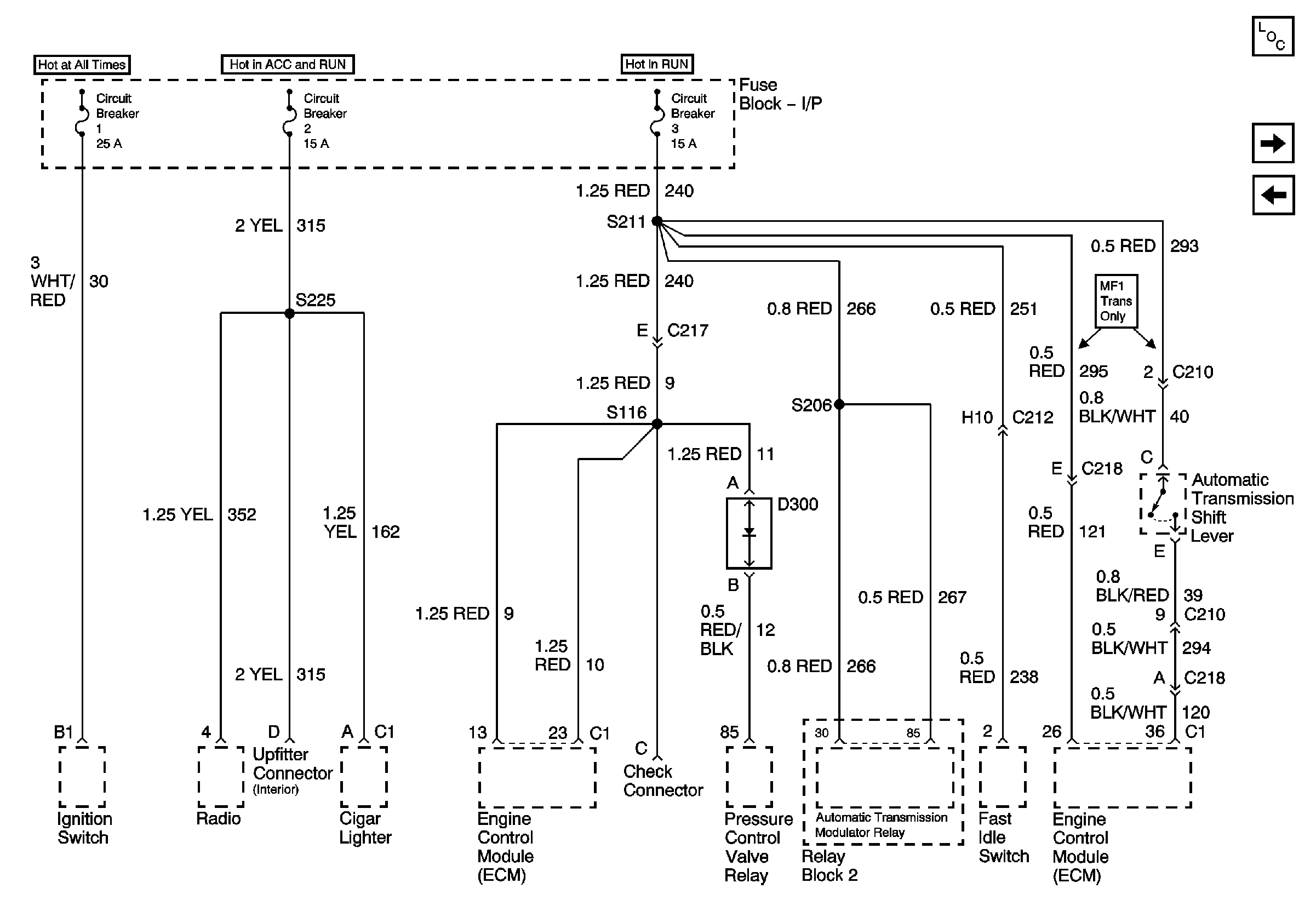
🢒 IP Fuse Block, Circuit Breakers 1, 2, 3
IP Fuse Block, Circuit Breakers 1, 2, 3
IP Fuse Block, Circuit Breakers 1, 2, 3
Master Electrical Component List
IP Fuse Block, Curcuit Breakers 4, 5, 10
Ignition Switch, Igntion 3 Relay, Accessory Relay